This thread has been locked.

If you have a related question, please click the "Ask a related question" button in the top right corner. The newly created question will be automatically linked to this question.

[参考译文] THS3061:请告诉我 PCB 布局和布线的一小部分是否正确

Guru**** 2510095 points
Other Parts Discussed in Thread: THS3061

请注意,本文内容源自机器翻译,可能存在语法或其它翻译错误,仅供参考。如需获取准确内容,请参阅链接中的英语原文或自行翻译。

https://e2e.ti.com/support/amplifiers-group/amplifiers/f/amplifiers-forum/760616/ths3061-please-tell-me-if-small-portion-of-my-pcb-layout-and-routing-is-right

器件型号:THS3061

您好、TI 专家、

我已经在您的帮助下完成了电路设计和 PCB 布局以及布线。 我不确定的是图1中的红线。 我已经完成了 PCB 布线和布局工作、如图2所示、还有红线。

THS3040的输出电压可能达到400V/us。 图2中标记了布线长度、布线宽度为20mil。 电源平面和接地平面在红色轨道下方的铜均已全部移除。 您能告诉我图2是否适合如此高的压摆率?

图1.

此致

亚涛

  • 请注意,本文内容源自机器翻译,可能存在语法或其它翻译错误,仅供参考。如需获取准确内容,请参阅链接中的英语原文或自行翻译。
    Yatao 您好、

    在任何情况下、我都会在驱动 THS3061的输出端直接放置一个电阻器。 这是高频运算放大器的必备条件。 我会使用一个10...49R 的电阻器。

    然后、最好在信号线下方放置一个接地层、否则在输出压摆时会对未定义的杂散电容充电。 这样、您将强制接地返回电流流经充满复杂阻抗的未定义电流路径。 这可能会导致电路不稳定。 因此、在接地层上以微带线的形式连接信号布线。

    将 HF-OpAmp 输出连接到 HF-OPAMP 输入的常用方法是使用微带技术。 为此、您需要具有特定特性阻抗(50R...75R)的微带线、输出端具有相同阻抗的串联端接电阻和波峰输入端具有相同阻抗的并联端接电阻。 遗憾的是、这意味着信号除以系数"2"。 幸运的是(如果您的信号布线不长和/或您的信号带宽不高)、可以避免信号跳频。 因此、我会尝试缩短从驱动 THS3061的输出到接收 THS3061的输入的信号布线长度。

    要继续、请在信号布线下方布线接地层、在驱动 THS3061的输出端直接放置一个10...49R 电阻器、并将信号布线长度保持在最小值。

    Kai
  • 请注意,本文内容源自机器翻译,可能存在语法或其它翻译错误,仅供参考。如需获取准确内容,请参阅链接中的英语原文或自行翻译。
    尊敬的 Kai:
    u R 非常专业。
    我的 PCB 具有4层。 我所关注的信号迹线位于播放器上、其中是电源平面。 接地层和底层位于第3层和第4层。
    如果我移除信号布线下方的电源平面覆铜并保持接地层完好无损、这是否正常? 或者、我必须切换电源平面和接地平面的位置、并将接地平面置于播放器的正下方?
    至于微带技术、我知道它只是指选择合适的布线宽度。 但是、我不知道具体如何实现它。 您能否为我提供一些易于实施的材料或示例?

    此致
    亚托
  • 请注意,本文内容源自机器翻译,可能存在语法或其它翻译错误,仅供参考。如需获取准确内容,请参阅链接中的英语原文或自行翻译。

    Yatao 您好、

    在不太关键的应用中、只要在每个芯片上正确地对电源电压进行去耦、电源平面最终可被用于微带线路。 但我不推荐这家酒店!

    通常、在 HF 电路的第二层布置电源平面是不明智的。 这可能会导致稳定性问题。 最好在第二层布线接地层。 请保持其稳定、并仅在 HF-OPAMP 数据表要求的位置移除铜。

    微带线(在顶层布线)必须嵌入顶层的接地层、并且必须在下方的另一个接地层上布线。 重要参数包括布线宽度、顶层内到接地层的距离以及下方到接地层的距离。 www 中提供了许多微带计算器、可帮助您查找合适的参数。

    在微带线旁边使用大量过孔来将各个接地平面相互连接。

    Kai

  • 请注意,本文内容源自机器翻译,可能存在语法或其它翻译错误,仅供参考。如需获取准确内容,请参阅链接中的英语原文或自行翻译。
    您好 Kai
    谢谢!
    最后、您能否为我提供一些使用此微带技术的 PCB 示例? 您能为我找到一款计算器吗?

    此致
    亚涛
  • 请注意,本文内容源自机器翻译,可能存在语法或其它翻译错误,仅供参考。如需获取准确内容,请参阅链接中的英语原文或自行翻译。
    Yatao 您好、

    Paul 最近写了一篇非常好的文章:

    e2e.ti.com/.../2789643

    还有布局示例等。

    这是一个微带计算器:

    chemandy.com/.../coplanar-waveguide-with-ground-calculator.htm

    Kai
  • 请注意,本文内容源自机器翻译,可能存在语法或其它翻译错误,仅供参考。如需获取准确内容,请参阅链接中的英语原文或自行翻译。

    尊敬的 Kai:

    Thx。

    Paul 解释 了微带技术背后的详细原理、您给了我一个计算器。 但我仍然不确定我是否对您有很好的了解。 那么、您能否为我提供一个使用微带技术的 PCB 项目文件?

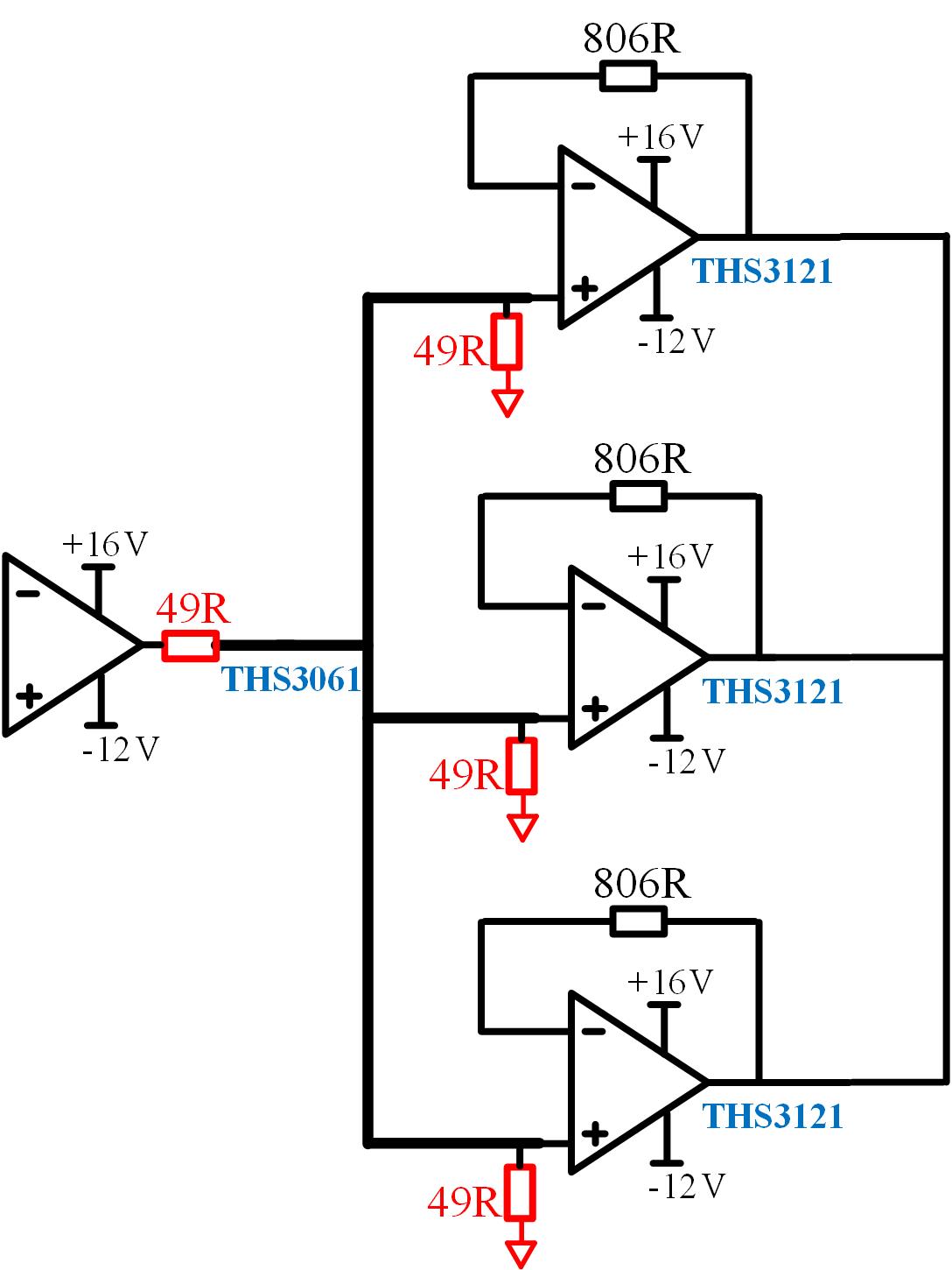
    为了确认这一点、您可以说"输出端具有相同阻抗的串联端接电阻器和最坏输入端具有相同阻抗的并联端接电阻器"。 图1和图2中电阻器的位置是正确的?

    图1.

    此致

    亚涛

  • 请注意,本文内容源自机器翻译,可能存在语法或其它翻译错误,仅供参考。如需获取准确内容,请参阅链接中的英语原文或自行翻译。

    Yatao 您好、

    此 PDF 是 Paul 建议您查看的内容:

    请转至第34页。 在这里、您将找到一个布局示例。

    除此之外、TI 还有大量用于高频运算放大器的 EVM。 了解一下它们。

    数字:

    第二个数字是错误的。 尝试第一个图。

    关于"最主要的投入"的建议是与这一计划一起提出的:

    e2e.ti.com/.../3618.Fig2.jpg

    Kai

  • 请注意,本文内容源自机器翻译,可能存在语法或其它翻译错误,仅供参考。如需获取准确内容,请参阅链接中的英语原文或自行翻译。
    尊敬的 Kai:
    谢谢!

    此致
    亚涛