请注意,本文内容源自机器翻译,可能存在语法或其它翻译错误,仅供参考。如需获取准确内容,请参阅链接中的英语原文或自行翻译。
器件型号:TLV3701 请告诉 我 TLV3701QDBVRQ1是否具有迟滞功能。
您能否使用 上述方法实现迟滞?
谢谢
此致、
Junlong
This thread has been locked.
If you have a related question, please click the "Ask a related question" button in the top right corner. The newly created question will be automatically linked to this question.
请告诉 我 TLV3701QDBVRQ1是否具有迟滞功能。
您能否使用 上述方法实现迟滞?
谢谢
此致、
Junlong
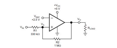
您好 Junglong、
是的、这将起作用:
Kai
Junlong、您好!
TLV370x 系列没有内置迟滞。
必须通过正反馈添加外部迟滞。
请参阅随附的迟滞演示、以及 TI 高精度实验室-运算放大器:比较器应用、特别是第14.2节。
/cfs-file/__key/communityserver-discussions-components-files/14/8867.Comparator_5F00_Hysteresis.pdf