主题中讨论的其他器件: SM72295
您好:
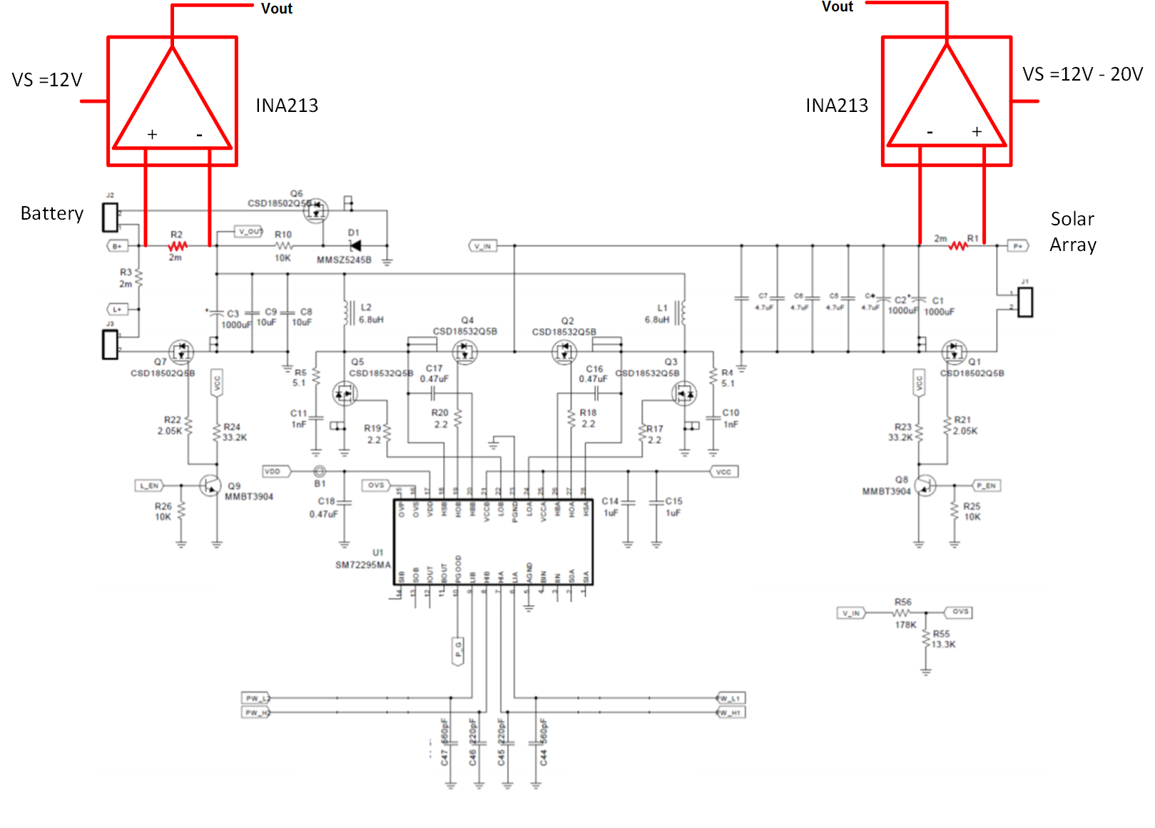
我们在 MPPT 电池充电电路中使用其中2个器件、一个用于测量电池电流、另一个用于测量太阳能阵列电流。 此充电器设计基于 TI PMP7605参考设计。 我们将使用一个直接连接在电桥高侧输入端的0.002 Ω 感应电阻器。 感应电阻器的位置与参考设计中的位置完全相同... 我们使用 INA213代替与 SM72295集成的电流感应放大器。
我看到的是、测量的电池充电电流始终处于实际值的5%以内、但来自太阳能阵列的测量电流具有误差、该误差会随着太阳能阵列上的电压增加而增加。 对于给定的电池电压(Vb)、我可以改变开关 MOSFET 的占空比、以改变在太阳能阵列连接器(Vs)上出现的电压、从 Vb 直到大约20V (如果我想的话、甚至知道 INA213器件的绝对最大值为26V)。 对于等于或略大于 Vb (约为12v)的与、测量的太阳能阵列电流是可以的。 但是、随着 I 增加而不是接近20V 限值、测量误差会增加、从而使我获得越来越高的太阳能阵列电流、误差大于通过感应电阻器的实际电流的30%。 似乎我看到某种增益误差随 VCM 增大而增大、或者我的输入偏置电流随 VCM 增大?
感谢你的帮助



