Thread 中讨论的其他器件: MikroElektronika
您好
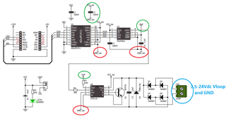
我最近购买了 MikroElektronika 4-20mA T Click MCU Add On Board MIKROE-1296、用于我在工作中需要的项目、该项目具有连接到螺钉端子的24V 电源、并通过电压电源和 Fluke 回路校准器进行连接测试。 该板具有一个 MCP4921 DAC、我通过 SPI 对其进行编程、可提供0-4.095V 的电压范围。 但电路板(或者从技术上讲、是 XTR116)不会输出低于4.4mA 的电流。
我已经测试过此电路板、已将其设为最低值、并循环遍历0-4095值、然后再次返回、但在任何这些情况下、它不会低于4.4mA。 此外、在对电路板进行编程以使其在整个范围内循环时、电路板会出现这种奇怪的行为、当电流接近4.4mA 时、尽管电压以相同的速率变化、但电流在再次加速之前会缓慢变化。
我已通过测量其输出来检查 MCP4921是否存在不使用整个电压范围的错误、这反过来可能影响我从 XTR116获取的电流大小、但 MCP4921使用整个电压范围。
我在不同的论坛上读到过,这可能与 XTR116的当前抽取有关。 关于如何使电路板使用4-20mA 工作范围的解决方案有哪些? 他们所实施的设计是否存在任何根本错误?
下面是我已经测试的4-20mA 电路板的原理图





