https://e2e.ti.com/support/amplifiers-group/amplifiers/f/amplifiers-forum/1330776/amc1100-amc1100
器件型号:AMC1100主题中讨论的其他器件: TINA-TI、 AMC131M03、AMC3330
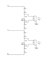
大家好、Alexander Smith、我正在从事一个类似的项目、我需要测量三相电压、它的三相3线系统意味着没有中性点。 我已经浏览了 用于线间隔离电压测量的分接头连接文档 https://www.ti.com/lit/an/sbaa553/sbaa553.pdf 、并最终确定了 AMC1100的以下电路。 请确认、如果出现一个相位丢失和输入电压不平衡的情况、这是否起作用。
谢谢你。
阿莫尔
