您好、团队成员:
问题1
图4显示了4V/V、8V/V 和10V/V 的增益曲线、但对于2V/V、增益曲线会是什么样子? 将增益设置为2V/V 是否即使在1GHz 或更高频率下也能提供更稳定的增益?
问题2
(2-1) 我认为图6显示了使用单端输入时的特征。 即使使用差分输入、频率特性是否会随负载值而变化?
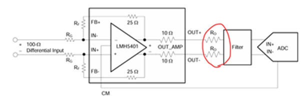
(2-2) 即使50Ω 负载非常靠近放大器并且省略了 Ro (下图中的红圈)、认为其特性与"图6中的50Ω"类似、是正确的吗?

感谢你的帮助。
此致、
竹村太人
This thread has been locked.
If you have a related question, please click the "Ask a related question" button in the top right corner. The newly created question will be automatically linked to this question.
您好、团队成员:
问题1
图4显示了4V/V、8V/V 和10V/V 的增益曲线、但对于2V/V、增益曲线会是什么样子? 将增益设置为2V/V 是否即使在1GHz 或更高频率下也能提供更稳定的增益?
问题2
(2-1) 我认为图6显示了使用单端输入时的特征。 即使使用差分输入、频率特性是否会随负载值而变化?
(2-2) 即使50Ω 负载非常靠近放大器并且省略了 Ro (下图中的红圈)、认为其特性与"图6中的50Ω"类似、是正确的吗?

感谢你的帮助。
此致、
竹村太人
你好,竹村
以下是我的回答:
问题1:
是的、2V/V 增益应提供更稳定的响应、如图2所示。 我们没有适用于2V/V 增益的数据。 但我附加了增益= 2V/V 情况下的 TINA 仿真、显示了近似值。 您还可以更改增益配置、看看它如何变化。
e2e.ti.com/.../LMH5401_5F00_g_3D00_2.TSC
问题2-1:
是、即使在 D2D 配置频率特征中也是如此,这也会因负载值而发生变化。 很遗憾、我们在此配置中没有收集数据。
问题2-2:
即使我们省略 Ro 并放置50 Ω 负载、有效输出负载也将为10+10+50 = 70 Ω。
此致、
赫鲁迪