This thread has been locked.

If you have a related question, please click the "Ask a related question" button in the top right corner. The newly created question will be automatically linked to this question.

[参考译文] TLV369:使用 ADC 进行负电压测量

Guru**** 2510095 points
Other Parts Discussed in Thread: TLV369

请注意,本文内容源自机器翻译,可能存在语法或其它翻译错误,仅供参考。如需获取准确内容,请参阅链接中的英语原文或自行翻译。

https://e2e.ti.com/support/amplifiers-group/amplifiers/f/amplifiers-forum/1462921/tlv369-negative-voltage-measurement-using-adc

器件型号:TLV369

工具与软件:

大家好!

我正在尝试使用 MCU 的内置 ADC 来测量直流/直流转换器的-15V 输出、该 ADC 的工作电压范围为0-3.3V。 为了降低电压、我计划使用由0V 和3.3V 电压供电的 TLV369运算放大器(没有可用的负轨、我也不希望添加一个负轨)。

如何设计电路来有效测量-15V 的电压并满足这些限制条件?

  • 请注意,本文内容源自机器翻译,可能存在语法或其它翻译错误,仅供参考。如需获取准确内容,请参阅链接中的英语原文或自行翻译。

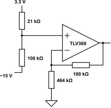
    该电路映射了−15V…的范围 0V、范围为0.15V… 3.3V

  • 请注意,本文内容源自机器翻译,可能存在语法或其它翻译错误,仅供参考。如需获取准确内容,请参阅链接中的英语原文或自行翻译。

    Arvind,

    如果您要针对不同的传递函数修改电路、可以使用下面的 Excel 计算器工具

    /cfs-file/__key/communityserver-discussions-components-files/14/2112.Voltage-Scaler-Calculator_2800_1.02_2900_.xlsx

    使用 "同相计算器"选项卡。 电路2使上述电路基于所需的范围。  

    步骤1:输入数据 第1点 第2点  
    VIN 电压 -15. 0 <--使用[min and max] VIN 范围
    VOUT 电压 0.15. 3.3. <--对相同的 VIN 范围使用 VOUT
    失调电压 0 3.3. <--运算放大器 VCM [MIN、MAX]限制
    基准电压 3.3.   <--选择精确电压(不能使用零)
  • 请注意,本文内容源自机器翻译,可能存在语法或其它翻译错误,仅供参考。如需获取准确内容,请参阅链接中的英语原文或自行翻译。

    Arvind,

    更为简单、VOUT =-VIN/5;因此-15V IN 为3V OUT

  • 请注意,本文内容源自机器翻译,可能存在语法或其它翻译错误,仅供参考。如需获取准确内容,请参阅链接中的英语原文或自行翻译。

    您好、

    感谢您提供电路。 我确实有一个问题:运算放大器能否处理超出其电源轨的输入? 在这种情况下、如果输入为-15V 且在反相端子-0.4V (根据仿真)处、这小于0V。


  • 请注意,本文内容源自机器翻译,可能存在语法或其它翻译错误,仅供参考。如需获取准确内容,请参阅链接中的英语原文或自行翻译。

    流经钳位二极管的电流将受到 R1的限制。 低于 GND 的输入电压超出保证的共模范围、但该器件没有相位反转、因此放大器最终应正确调节。