工具与软件:


PWR_IN 是从进入5V、4A 到电源的系统输入。 该电源使用外部线性电源。 电源规格为5V、8A。
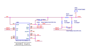
如果系统的工作电流高于4A、我们打算使用 INA231芯片来关闭系统。
我们在下面进行了实验、以了解感应电阻是否存在问题。
1.传感电阻被移除并短路。 即使系统使用大量电流、整个系统(包括 SEPIC 电路)也能正常工作。 由此、我们确定感应电阻的允许电流不足。
2.实验中连接三个与0欧姆3216 (mm)并联的感应电阻以使允许的电流为1瓦。 电源状态稳定。
3.我们买了一个新的感应电阻器, erj-8cwfr020。 尽管允许的电流为1W、但整个系统会在施加感测电阻后产生震动。
它与两个、三个并联。