主题中讨论的其他器件:DP83869、
工具与软件:
您好、TI
我们在项目中使用了 dp83822、该器件通过一条3米长的电缆与 PC 以太网端口相连、工作正常。 但当我们将呼叫量缩短到30厘米时,连接失败,请检查所连接的视频,我们可以看到本地连接总是在链路和非链路之间切换。
e2e.ti.com/.../_DE98664E_20241205_2D00_224850.mp4
我们如下所示读取一些 phy 寄存器
测试 rphyall
--> argc:2
--> argv 测试
--> argv rphyall
PHY 0x0170:= 0x1102
PHY 0x0171:= 0x0108
PHY 0x0173:= 0x6a00
PHY 0x0177:= 0x0a41
PHY 0x0180:= 0x3100
PHY 0x0181:= 0x7849
PHY 0x0182:= 0x2000
PHY 0x0183:= 0xa240
PHY 0x0184:= 0x01e1
PHY 0x0185:= 0xcde1
PHY 0x0186:= 0x000f
PHY 0x0187:= 0x2001
PHY 0x0188:= 0xe008
PHY 0x0189:= 0x0020
PHY 0x018a:= 0x0100
Robosense >
RoboSense >测试 rphyall
--> argc:2
--> argv 测试
--> argv rphyall
PHY 0x0170:= 0x1104
PHY 0x0171:= 0x0108
PHY 0x0173:= 0x2000
PHY 0x0177:= 0x0a41
PHY 0x0180:= 0x3100
PHY 0x0181:= 0x7849
PHY 0x0182:= 0x2000
PHY 0x0183:= 0xa240
PHY 0x0184:= 0x01e1
PHY 0x0185:= 0xcde1
PHY 0x0186:= 0x000f
PHY 0x0187:= 0x2001
PHY 0x0188:= 0x4806
PHY 0x0189:= 0x0020
PHY 0x018a:= 0x0100
Robosense >



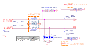
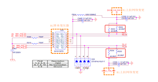
请检查我们的原理图。 期待您的回复。 谢谢。
