This thread has been locked.

If you have a related question, please click the "Ask a related question" button in the top right corner. The newly created question will be automatically linked to this question.

[参考译文] TAS2X63EVM:在 TAS2x63 EVM 上使用外部 PVDD 是否有特定的顺序?

Guru**** 2526700 points


请注意,本文内容源自机器翻译,可能存在语法或其它翻译错误,仅供参考。如需获取准确内容,请参阅链接中的英语原文或自行翻译。

https://e2e.ti.com/support/audio-group/audio/f/audio-forum/1066186/tas2x63evm-is-there-specific-sequence-to-use-external-pvdd-on-tas2x63-evm

部件号:TAS2X63EVM

大家好,团队

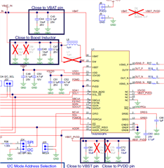
我想知道在 TAS2x63 EVM 上使用外部 PVDD 是否有特定的顺序/过程。 因为当我尝试打开外部 PVDD 模式时,内部增压已死亡。 由于连接外部 PVDD 源时 VBAT 和 SW 仍处于连接状态,因此似乎短路。 我应该卸下 L8电感器以使用外部 PVDD 吗?


因此,在切换至外部 PVDD 模式时是否有任何建议?

谢谢,

Jay