请注意,本文内容源自机器翻译,可能存在语法或其它翻译错误,仅供参考。如需获取准确内容,请参阅链接中的英语原文或自行翻译。
部件号:TLV320AIC3101 您好,
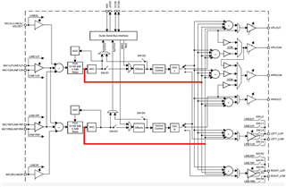
如图所示,吹:
1、录制路径和播放路径似乎共享了相同的“效果”块,在这种情况下,这是否意味着我们无法使用 HPF 进行录制,而扬声器播放则使用非重点筛选器?
2、模块在右侧(HPLOUT\HPROUT)表示要录制的提示音?上部模块(DOUTL\DOUTR)表示播放声音。
如果是这样,红色路径表示录制过程中播放的声音不会被处理,对吗?
请帮助解释此图中所示的音频通道。 非常感谢
老虎
