This thread has been locked.

If you have a related question, please click the "Ask a related question" button in the top right corner. The newly created question will be automatically linked to this question.

[参考译文] TPA3118D2:需要配置 TPA3118D2的 FUALT,静音,SD,PLIMIT 引脚。

Guru**** 2584645 points


请注意,本文内容源自机器翻译,可能存在语法或其它翻译错误,仅供参考。如需获取准确内容,请参阅链接中的英语原文或自行翻译。

https://e2e.ti.com/support/audio-group/audio/f/audio-forum/1086453/tpa3118d2-need-to-configure-fualt-mute-sd-plimit-pins-of-tpa3118d2

部件号:TPA3118D2

大家好,团队

我们的硬件团队设计了一个放大器,然后是音频编解码器。

我必须在内核 Android11代码库的编解码器驱动程序中配置以下 PIN。

我不知道这些针脚需要哪种信号。

我可以通过软件切换这些针脚。

请指导我配置这些针脚。

请告诉我应该在这些引脚上提供的初始逻辑电平/电压。即0或1。

PLASMIT >>信号详情?

静音 PIN >>活动低/高>逻辑1????

SD Pin >>  Active LOW / HIGH > LOGIC 1???(SD 针>>活动低/高>逻辑1???)

fualt >> 活动低/高>逻辑1????  

我有数据表。 但无法正确理解信号细节。

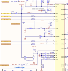
检查放大器的 sch:

谢谢

迪维什

  • 请注意,本文内容源自机器翻译,可能存在语法或其它翻译错误,仅供参考。如需获取准确内容,请参阅链接中的英语原文或自行翻译。

    您好,迪维耶什,

    您可以看到 6.3推荐的工作条件,引脚上的高意味着电压应为>VIH,低意味着<VOL。

    PLASMIT 是用于限制输出峰值的功能。 数据表包含详细信息。

    此致,

    德里克  

  • 请注意,本文内容源自机器翻译,可能存在语法或其它翻译错误,仅供参考。如需获取准确内容,请参阅链接中的英语原文或自行翻译。

    你好,Gong,

    我知道 引脚上的高意味着电压应该>VIH,低意味着<VOL。

    我想问一下。 我应该为这些输入信号提供什么初始信号。

    设备启动后,我应该先在这些针脚上保留什么信号(高/低)。

    Limit output peak (限制输出峰值)>>如何通过代码对其进行控制? 分享相同的示例?

    谢谢。

  • 请注意,本文内容源自机器翻译,可能存在语法或其它翻译错误,仅供参考。如需获取准确内容,请参阅链接中的英语原文或自行翻译。

    您好,

    TI 建议的初始配置是:启动放大器(SDZ 高)时加电--> 先是静音放大器,然后是 SDZ 高,延时>40ms,再是非静音放大器。

     数据表中的7.3.4 PLASMIT 操作具有 PLASMIT 功能的示例和详细说明。

    此致,

    德里克