This thread has been locked.

If you have a related question, please click the "Ask a related question" button in the top right corner. The newly created question will be automatically linked to this question.

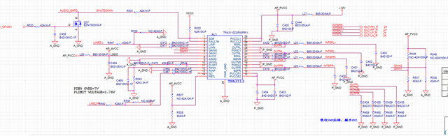
[参考译文] TPA3113D2:无输出

Guru**** 2513185 points
Other Parts Discussed in Thread: TPA3113D2

请注意,本文内容源自机器翻译,可能存在语法或其它翻译错误,仅供参考。如需获取准确内容,请参阅链接中的英语原文或自行翻译。

https://e2e.ti.com/support/audio-group/audio/f/audio-forum/1057647/tpa3113d2-no-output

器件型号:TPA3113D2

大家好、

我的客户正在使用 TPA3113D2。 他们遇到的问题是,有时 TPA3113D2  在上电后不输出,测试故障引脚处于低电平。  请帮帮我。

此致、

  • 请注意,本文内容源自机器翻译,可能存在语法或其它翻译错误,仅供参考。如需获取准确内容,请参阅链接中的英语原文或自行翻译。

    你(们)好 Eric

      当 FAULT 引脚为低电平时、会发生短路或直流误差。  

      检查输出侧是否存在短路。 尝试将电感器更改为更大的值、小型电感器也可能在启动时触发 OC。  

      对于直流故障、请记住 在加电时将 SD 引脚保持在低电平、直到输入端的信号稳定为止、这样可以避免一些错误触发。 此外、请注意输入信号不应超过阈值。

      您还可以 将 FAULT 引脚直接连接到 SD 引脚。 这使得 FAULT 引脚功能能够自动将 SD 引脚驱动为低电平、从而清除短路保护锁存器。