尊敬的 TI 团队:
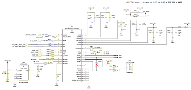
我们将以5.10 v 内核运行的 i.Mx7D 处理器用于我们的定制产品之一。 我们正在尝试将 TLV320AIC3110编解码器与 Freescale iMX7D 处理器连接。 我们使用了 tlv320aic31xx 作为驱动程序 文件。 但我们找不到所需的平台接口文件 IMX-tlv320aic31xx、因此我们使用了通用驱动程序"simple-card.c"文件。 我们在编解码器 MCLK 上获得24MHz、但无法听到来自的任何音频输出 扬声器、我们观察到下面附加了"aple"命令输出的任何错误。 我还在连接设备树更改。
请就此问题提供您的意见。
e2e.ti.com/.../device_2D00_tree_2D00_changes.txt
谢谢、此致、
Sharmila D

