This thread has been locked.

If you have a related question, please click the "Ask a related question" button in the top right corner. The newly created question will be automatically linked to this question.

[参考译文] TPA3138D2:原理图审阅

Guru**** 2582405 points
Other Parts Discussed in Thread: TPA3138D2

请注意,本文内容源自机器翻译,可能存在语法或其它翻译错误,仅供参考。如需获取准确内容,请参阅链接中的英语原文或自行翻译。

https://e2e.ti.com/support/audio-group/audio/f/audio-forum/972407/tpa3138d2-schematic-review

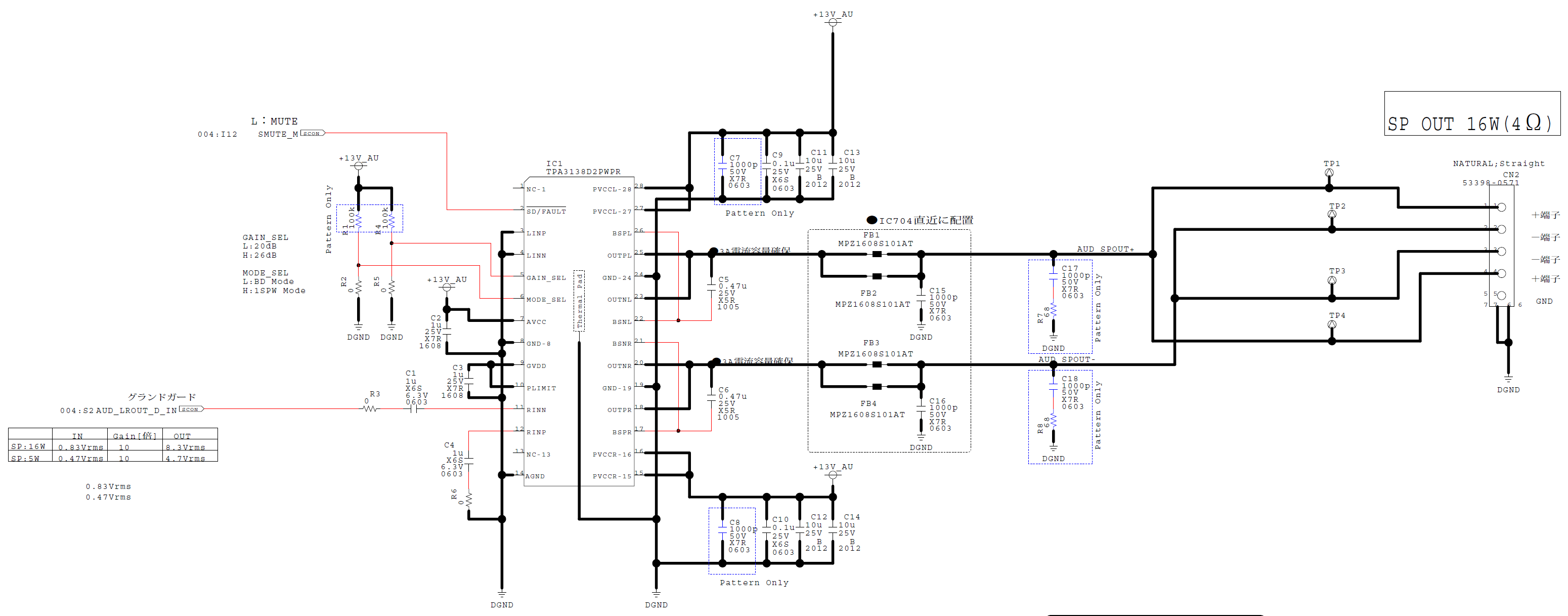
器件型号:TPA3138D2

尊敬的团队:

我的客户正在评估适用于16W/4 Ω/单声道应用的 TPA3138D2、并按所附方式设计其 TPA3138D2应用电路。

您能否查看他们的 TPA3138D2原理图?

它们希望在 BSPx 和 OUTxx 之间使用1uF 自举电容器、而不是0.47uF、因为它们在其本应用中不使用0.47uF 电容器常数。

我期待你的答复。
谢谢你。

此致、

Koshi Ninomiya

  • 请注意,本文内容源自机器翻译,可能存在语法或其它翻译错误,仅供参考。如需获取准确内容,请参阅链接中的英语原文或自行翻译。

    您好、Ninomiya-San、

    客户可以随意尝试更改自举电容值、但我们在 PBTL 中验证了 TPA3138D2为0.47uF、因此无法保证器件的工作方式与数据表中描述的1uF 相同。

    此致、

    Robert Clifton