This thread has been locked.

If you have a related question, please click the "Ask a related question" button in the top right corner. The newly created question will be automatically linked to this question.

[参考译文] TLV320DAC3203:我们能否同时将双 ASI (I2S)与 TLV320DAC3203搭配使用?

Guru**** 2522860 points
Other Parts Discussed in Thread: TLV320DAC3203

请注意,本文内容源自机器翻译,可能存在语法或其它翻译错误,仅供参考。如需获取准确内容,请参阅链接中的英语原文或自行翻译。

https://e2e.ti.com/support/audio-group/audio/f/audio-forum/1012540/tlv320dac3203-can-we-use-dual-asi-i2s-with-tlv320dac3203-simultaneously

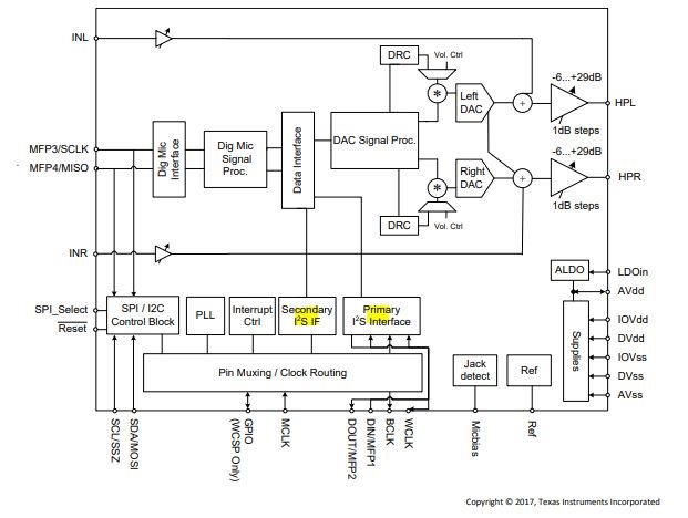
器件型号:TLV320DAC3203

您好、Sirs、

根据数据表、TLV320DAC3203有两种 ASI。



我们能否同时使用两个 ASI 作为下面的方框图? DAC3203 GUI 是否支持此选项?



谢谢、最诚挚的谢意、

陈耀恩
2021年6月24日