请注意,本文内容源自机器翻译,可能存在语法或其它翻译错误,仅供参考。如需获取准确内容,请参阅链接中的英语原文或自行翻译。
器件型号:TAS5756M 您能告诉我哪些接地引脚与 TAS5754/6M 前端芯片中的 DAC 芯片输出缓冲器接地最相关吗? 这应在器件的接合图中提供。 如果您可以提供 绑定图、它将同样有用。
情况是、我们目前正在使用'56跟踪设计中的一些噪声。 噪声与'56M 无关、而是由循环电流流经包含交流耦合电容器和差分放大器裸片输入的区域而引起的。
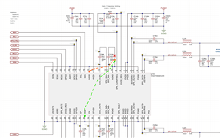
我们正在考虑敏感模拟输入的接地回路以及如何将其与电源接地区域隔离。 为了向您展示我的意思、下面提供了屏幕截图: 
我希望最接近 AVDD 电源输入的接地引脚将是与 DAC 输出最相关的接地引脚。 将电容器的接地引线连接到此接地引脚(如橙色虚线所示)时、噪声仅略有改善。 但是、我们注意到、当我们将所示的电容器接地(如绿色虚线所示)时、噪声会显著改善。 了解其中哪些接地与输出缓冲器接地最密切相关将对我们的工作非常有帮助。
感谢你的帮助。