This thread has been locked.

If you have a related question, please click the "Ask a related question" button in the top right corner. The newly created question will be automatically linked to this question.

[参考译文] TAS5630B:什么会导致 SD 处于活动状态?

Guru**** 2442090 points
Other Parts Discussed in Thread: TAS5630B

请注意,本文内容源自机器翻译,可能存在语法或其它翻译错误,仅供参考。如需获取准确内容,请参阅链接中的英语原文或自行翻译。

https://e2e.ti.com/support/audio-group/audio/f/audio-forum/889698/tas5630b-what-will-result-in-sd-active

器件型号:TAS5630B

您好!

客户使用我们的 TAS5630B 并解决有关 SD ACTIVE 的问题。

与数据表相同的 sch、如下所示。

1 OUT_X 与 GND_X 和 PVDD_X 之间没有电阻器

2个电源 PVDD=50VVDD=12V

3无热保护。

4中断负载、得到相同的结果-无输出且 SD 处于活动状态。

5手动更改复位状态、无更改

6 更换另一个设备、SD 正常但仍无输出。

你对此有什么建议吗? 这是一个紧迫的问题、需要您的支持。

谢谢。

  • 请注意,本文内容源自机器翻译,可能存在语法或其它翻译错误,仅供参考。如需获取准确内容,请参阅链接中的英语原文或自行翻译。

    您好!

    请确保客户的原理图与数据表上的参考设计相同、并检查以下各点、

    1.将 RESET#拉为高电平时、请检查 VREG /VI_CM /C_STARTUP/上的电压、并检查 OUTx 上是否有任何开关。

    2.将 RESET#拉至低电平时、请检查 SD#上的电压。 它应该是逻辑高电平。

    3.如果更换新器件后 SD 状态发生变化、请检查焊接是否存在任何问题。

    此致、

    Sam

  • 请注意,本文内容源自机器翻译,可能存在语法或其它翻译错误,仅供参考。如需获取准确内容,请参阅链接中的英语原文或自行翻译。

    尊敬的 Sam:

    谢谢!

    以下是反馈:

    1. 当复位为高电平时、VREG(~3.2V)/VI_CM (__LW_AT__1.94V)/C_STARTUP(3.1V),无输出。
    2. 当 IC 警报时、无论复位为高电平还是低电平、SD 均保持低电平;
    3. 客户更换了5个 IC、所有 IC 在不同工作时间后都显示 SD 警报;
    4. 其负载为声波 电机、 电机电压为-25V~+25V。 正弦波。
    5. 驱动信号为3~100Hz、这对于该器件是可以的吗?

       谢谢!

  • 请注意,本文内容源自机器翻译,可能存在语法或其它翻译错误,仅供参考。如需获取准确内容,请参阅链接中的英语原文或自行翻译。

    您好、Yuan、

    1. Vreg/VI_CM/ C_START 电压正常。

    2.一旦 RESET#被拉至低电平、SD 将被强制为高电平。 请参阅第17页的 d/s 底部 如果 SD#引脚始终为低电平、请检查器件是否为良好的装置和焊接。

    3、该器件可以正常工作一段时间、对吧? 器件在什么工作条件下处于故障状态? 它是否提供高功率?  

    该器件是一款音频放大器、可能具有一些限制、可支持低至3Hz 的频率。  至少它不能与负载条件的电流一起工作?

    此致、

    Sam

  • 请注意,本文内容源自机器翻译,可能存在语法或其它翻译错误,仅供参考。如需获取准确内容,请参阅链接中的英语原文或自行翻译。

    尊敬的 Sam:

    感谢您的支持。

    最大负载为357W。

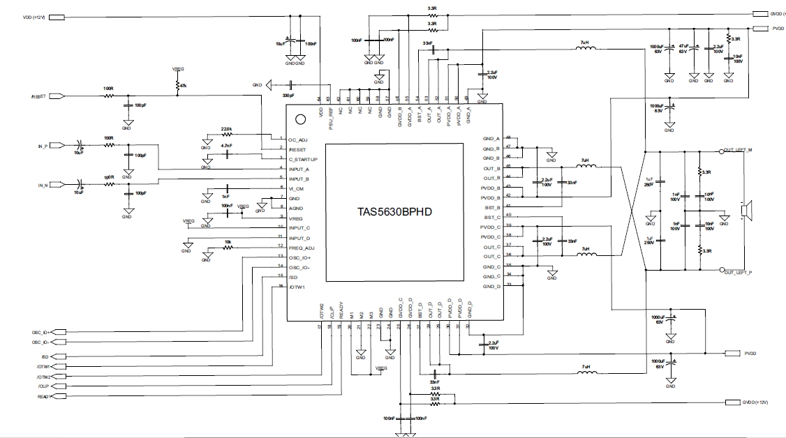
    下面是原理图:

    e2e.ti.com/.../Power-amplifier-board-V0.1.pdf

  • 请注意,本文内容源自机器翻译,可能存在语法或其它翻译错误,仅供参考。如需获取准确内容,请参阅链接中的英语原文或自行翻译。

    您好!

    原理图看起来不错。

    1.首先、请确保当 RESET#下拉为低电平时、SD#处于高电平。 如果不是、请检查焊接情况。  

    2.您也可以参考数据表中的表1来检查它报告的故障类型。

    负载电阻是多少? 该器件的电流限制为15A、在至少3R 负载下可支持~350W。 在负载电阻较低的情况下、它可能会触发过流故障。

    此致、

    Sam

  • 请注意,本文内容源自机器翻译,可能存在语法或其它翻译错误,仅供参考。如需获取准确内容,请参阅链接中的英语原文或自行翻译。

    尊敬的 Sam:

    7R 负载。

    当 IC 工作时、将 RESET 置为低电平、SD 置为高电平。 但是、当 SD 警报时、无论复位是高电平还是低电平、它都会保持低电平。

    为什么? 这是否意味着 IC 已损坏?

    谢谢!

  • 请注意,本文内容源自机器翻译,可能存在语法或其它翻译错误,仅供参考。如需获取准确内容,请参阅链接中的英语原文或自行翻译。

    您好、Yuan、

    我无法告知 IC 已损坏、但根据数据表、将 RESET 置为低电平应使 SD 释放到高电平、而不受存在故障的影响。

    BTW、如果负载为7R、则无法获得375W 的输出。 在没有电压削波的情况下、我们可以支持的最大输出为50^2/2/7=178W。 THD+N 为10%、可支持大约200W 的功率。

    此致、

    Sam