This thread has been locked.

If you have a related question, please click the "Ask a related question" button in the top right corner. The newly created question will be automatically linked to this question.

[参考译文] TPA3111D1-Q1:单端输入在上电期间会产生噼啪噪声

Guru**** 2540720 points


请注意,本文内容源自机器翻译,可能存在语法或其它翻译错误,仅供参考。如需获取准确内容,请参阅链接中的英语原文或自行翻译。

https://e2e.ti.com/support/audio-group/audio/f/audio-forum/938758/tpa3111d1-q1-pop-noise-during-power-on-for-single-ended-input

器件型号:TPA3111D1-Q1

您好!

 我将此设计用于我的应用中的单端设计。我在 上电和睡眠唤醒期间观察到 POP 噪声

AMP 需要大约~16ms 的时间来稳定并在电源启用后产生输出。  当我测量 AMP 输出时、我可以看到大约1.3V 至1.5V 之间的差异。 (附加的波形)

导致此更改的原因以及如何消除应用程序中的 POP 噪声。!  

  • 请注意,本文内容源自机器翻译,可能存在语法或其它翻译错误,仅供参考。如需获取准确内容,请参阅链接中的英语原文或自行翻译。

    Basheer、您好!

    您可以使用随附文件的带电阻分压器的单端放大器、以最大程度地减少开启时的杂音。

  • 请注意,本文内容源自机器翻译,可能存在语法或其它翻译错误,仅供参考。如需获取准确内容,请参阅链接中的英语原文或自行翻译。

    Basheer、您好!

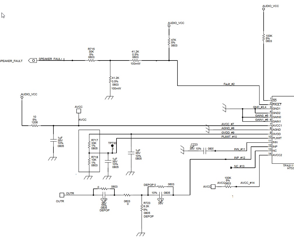
    我们最好查看您的设计的原理图和 LC 滤波器物料清单。  请提供。

  • 请注意,本文内容源自机器翻译,可能存在语法或其它翻译错误,仅供参考。如需获取准确内容,请参阅链接中的英语原文或自行翻译。

  • 请注意,本文内容源自机器翻译,可能存在语法或其它翻译错误,仅供参考。如需获取准确内容,请参阅链接中的英语原文或自行翻译。

    你好,Basheer

    大多数 PoP 是由 INP 和 INN 的阻抗不平衡造成的。 最好确保在输出 PWM 开始(~14ms)之前、INN 和 INP 在3V 的偏置电压下完全充电。 此外、在定序中、请确保先启用驱动 TPA3111的 DAC、然后启用 TPA3111以帮助提升性能。

    此致、

    Luis

  • 请注意,本文内容源自机器翻译,可能存在语法或其它翻译错误,仅供参考。如需获取准确内容,请参阅链接中的英语原文或自行翻译。

    尊敬的 Greeg Scott:

     对以下项目的任何反馈。 !!

  • 请注意,本文内容源自机器翻译,可能存在语法或其它翻译错误,仅供参考。如需获取准确内容,请参阅链接中的英语原文或自行翻译。

    Basheer、您好!

    您能否说明需要哪些其他反馈?

    此致、

    Luis

  • 请注意,本文内容源自机器翻译,可能存在语法或其它翻译错误,仅供参考。如需获取准确内容,请参阅链接中的英语原文或自行翻译。

    感谢您的回答。  

    假设我的增益设置为20dB、其 Zi 为60kOhm、Ci 为1uf、那么我的计时常数为60k*1uf= 60ms、大于14ms! 从而导致未对输入电容器充电。 因此,如果 CI 减少到大约0.1uf,则时间常数减少到6ms,小于14ms。 对、如果我错了、请纠正我的错误。 !!

  • 请注意,本文内容源自机器翻译,可能存在语法或其它翻译错误,仅供参考。如需获取准确内容,请参阅链接中的英语原文或自行翻译。

    Basheer、您好!

    如果您通过减小输入耦合电容器来缩短充电时间、这可以在我的设计中实现、但这会对低频响应产生负面影响。 我们通常建议使用以下方法来解决这一问题

    -启用放大器(SDZ 高电平)时--- 先将放大器静音,然后将 SDZ 设为高电平,延时>40ms,再将放大器取消静音

    -在驱动输入信号的任何内容(初始化 DAC)和启用放大器(SDZ 高电平)之间添加延迟(>20ms)。

    此致、

    Luis

  • 请注意,本文内容源自机器翻译,可能存在语法或其它翻译错误,仅供参考。如需获取准确内容,请参阅链接中的英语原文或自行翻译。

    您好、Luis、

     感谢您的回答、

    对于较低的频率、我们的工作范围为200Hz 至15kHz、因此没有问题。 这种从1uf 到0.1uf 的 CI 衰减将使 FC 为26.5Hz。

    SDZ 选项不适用、因为在我们的设计中、它始终上拉至 VCC、