This thread has been locked.

If you have a related question, please click the "Ask a related question" button in the top right corner. The newly created question will be automatically linked to this question.

[参考译文] PCM3060:PCM3060硬件模式下无声音

Guru**** 2638255 points

Other Parts Discussed in Thread: PCM3060

请注意,本文内容源自机器翻译,可能存在语法或其它翻译错误,仅供参考。如需获取准确内容,请参阅链接中的英语原文或自行翻译。

https://e2e.ti.com/support/audio-group/audio/f/audio-forum/966314/pcm3060-no-sound-in-pcm3060-hardware-mode

部件号:PCM3060

您好 TI,团队

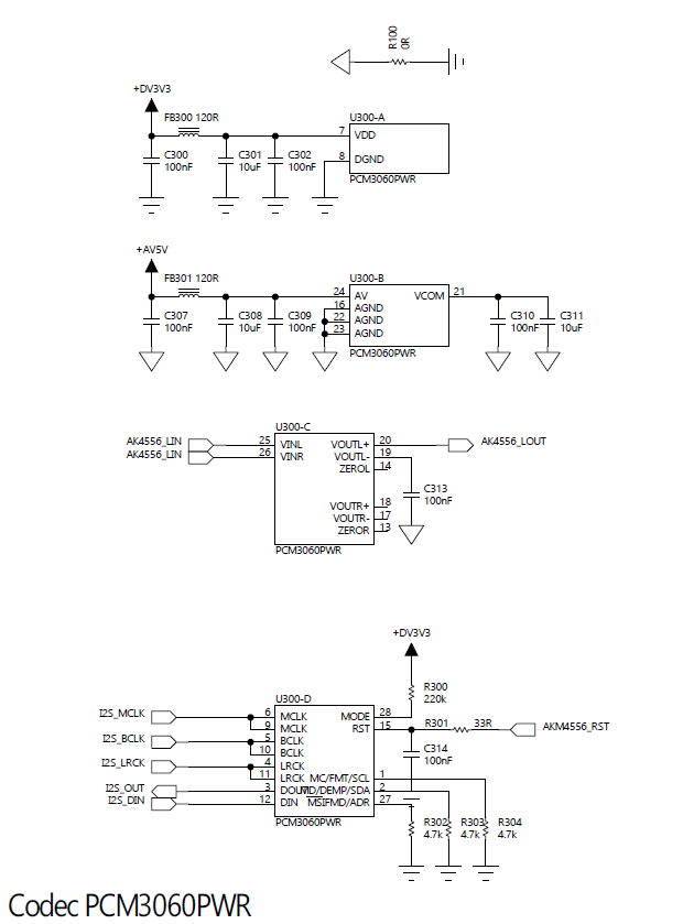
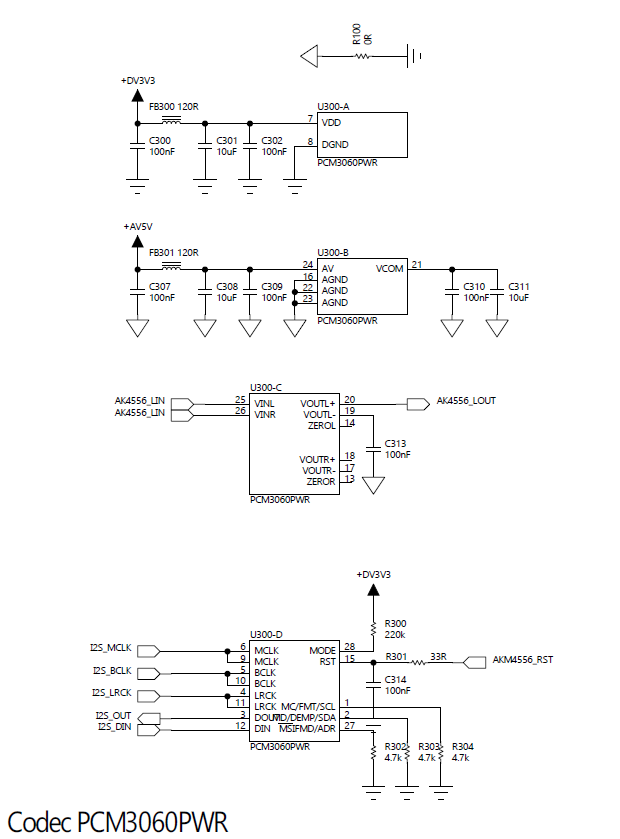
PCM3060硬件模式下无声音,以下是原理图、请帮助检查、谢谢!

  • 请注意,本文内容源自机器翻译,可能存在语法或其它翻译错误,仅供参考。如需获取准确内容,请参阅链接中的英语原文或自行翻译。

    您好、Smith、

    感谢您的提问。 由于美国圣诞节假期、我们的许多工程师都在度假。 度假回来后、他们将解决您的问题。 由此给您带来的不便、我深表歉意。  

  • 请注意,本文内容源自机器翻译,可能存在语法或其它翻译错误,仅供参考。如需获取准确内容,请参阅链接中的英语原文或自行翻译。

    您好 ,是否有任何更新?