This thread has been locked.

If you have a related question, please click the "Ask a related question" button in the top right corner. The newly created question will be automatically linked to this question.

[参考译文] TAS5755M:PBTL 模式

Guru**** 2524550 points
Other Parts Discussed in Thread: TAS5755M

请注意,本文内容源自机器翻译,可能存在语法或其它翻译错误,仅供参考。如需获取准确内容,请参阅链接中的英语原文或自行翻译。

https://e2e.ti.com/support/audio-group/audio/f/audio-forum/963472/tas5755m-pbtl-mode

器件型号:TAS5755M

您好!

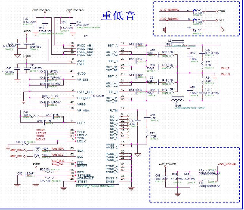
我们的客户使用了具有 PBTL 模式的 TAS5755M、配置完成后、只有 C&D 通道具有输出、A&B 通道上没有输出、扬声器具有语音但也有噪声、此外、扬声器非常热。 下面是寄存器配置和电路。

 

!! TAS570x 的 I2C 配置文件
X1B 00
X05 00
X06 00
X0A 3A
x09 26.
X08 26.
X07 30.
X14 54.
X13交流
x12 54.
X11交流
X0E 91
X20 00 01 77 72
X10 02
X0B 00
X10 02
X1C 02
X19 30.
X25 01 02 13 45

!! BiQuad
X50 00 00 00 00
X29 00 80 00 00 00 00 00 00 00 00 00 00 00 00 00 00 00 00 00 00 00 00 00
X30 00 80 00 00 00 00 00 00 00 00 00 00 00 00 00 00 00 00 00 00 00 00 00
X2A 00 80 00 00 00 00 00 00 00 00 00 00 00 00 00 00 00 00 00 00 00 00 00
X2B 00 80 00 00 00 00 00 00 00 00 00 00 00 00 00 00 00 00 00 00 00 00
X2C 00 80 00 00 00 00 00 00 00 00 00 00 00 00 00 00 00 00 00 00 00 00 00
X2D 00 80 00 00 00 00 00 00 00 00 00 00 00 00 00 00 00 00 00 00 00 00 00
X2E 00 80 00 00 00 00 00 00 00 00 00 00 00 00 00 00 00 00 00 00 00 00 00
X2F 00 80 00 00 00 00 00 00 00 00 00 00 00 00 00 00 00 00 00 00 00 00
X58 00 80 00 00 00 00 00 00 00 00 00 00 00 00 00 00 00 00 00 00 00 00 00
X59 00 80 00 00 00 00 00 00 00 00 00 00 00 00 00 00 00 00 00 00 00 00 00
X31 00 80 00 00 00 00 00 00 00 00 00 00 00 00 00 00 00 00 00 00 00 00 00
x32 00 80 00 00 00 00 00 00 00 00 00 00 00 00 00 00 00 00 00 00 00 00 00 00
X33 00 80 00 00 00 00 00 00 00 00 00 00 00 00 00 00 00 00 00 00 00 00 00
X34 00 80 00 00 00 00 00 00 00 00 00 00 00 00 00 00 00 00 00 00 00 00 00
X35 00 80 00 00 00 00 00 00 00 00 00 00 00 00 00 00 00 00 00 00 00 00 00
x36 00 80 00 00 00 00 00 00 00 00 00 00 00 00 00 00 00 00 00 00 00 00 00
X5C 00 80 00 00 00 00 00 00 00 00 00 00 00 00 00 00 00 00 00 00 00 00 00
X5D 00 80 00 00 00 00 00 00 00 00 00 00 00 00 00 00 00 00 00 00 00 00 00
X5A 00 05 83 00 0B 06 00 05 83 00 FB 42 C1 0F 84 A7 33
X5B 00 80 00 00 00 00 00 00 00 00 00 00 00 00 00 00 00 00 00 00 00 00 00

!! DRC
X3A 00 44 32 00 7F BB CD
X3B 00 02 A3 99 00 7D 5C 65
X3C 00 22 19 00 7F DD E1
X40 FD 2D 26 01
X41 0F 82 8F 5D
X42 00 08 42 10
X46 00 00 03
X39 00 00 00 00 00 00 00 00 00
X3D 00 7F FF B3 00 00 00 08
X3E 00 7F FF B3 00 00 00 08
X3f 00 7F FF B3 00 00 00 08
X43 FD 6C ED F2
X44 0F 83 33 35
x45 00 08 42 10
X46 00 00 03
X52 00 80 00 00 00 00 00 00 00 00 00 00 00
X60 00 00 00 00 80 00 00
X53 00 80 00 00 00 00 00 00 00 00 00 00 00 00 80 00 00
X54 00 80 00 00 00 00 00 00 00 00 00 00 00 00 80 00 00
X56 00 80 00 00
X57 00 02 00 00
X51 00 80 00 00 00 00 00 00 00 00 00 00 00
X55 00 80 00 00 00 00 00 00 00 00 00 00 00
X52 00 80 00 00 00 00 00 00 00 00 00 00 00

  

此致

Kailyn