This thread has been locked.

If you have a related question, please click the "Ask a related question" button in the top right corner. The newly created question will be automatically linked to this question.

[参考译文] TLV320AIC3105:处理未使用的引脚

Guru**** 2531950 points
Other Parts Discussed in Thread: TLV320AIC3105

请注意,本文内容源自机器翻译,可能存在语法或其它翻译错误,仅供参考。如需获取准确内容,请参阅链接中的英语原文或自行翻译。

https://e2e.ti.com/support/audio-group/audio/f/audio-forum/955927/tlv320aic3105-treat-for-unused-pin

器件型号:TLV320AIC3105

您好!

我的客户不会在 AIC3105中使用其中一个信道。 对于这种情况、用户应该如何处理未使用的引脚?

线路输入:
如果用户使用 Line1 L 和 R、Line2_L/R 和 Line3_L/R 是否可以保持断开?

2.输出
-单声道输出端子连接到 HPLOT/HPROUT
- HPLCOM/HPRCOM 连接到 AGND
- RIGHT ROP/ROM 和 LEFT_LOP/LOM 保持打开状态
上述连接是否正确?

此致、
Nagata。

  • 请注意,本文内容源自机器翻译,可能存在语法或其它翻译错误,仅供参考。如需获取准确内容,请参阅链接中的英语原文或自行翻译。

    这是另一个问题

    3.用户也不会使用 MCLK。 他如何处理销钉?

    此致、
    Nagata。

  • 请注意,本文内容源自机器翻译,可能存在语法或其它翻译错误,仅供参考。如需获取准确内容,请参阅链接中的英语原文或自行翻译。

    您好!

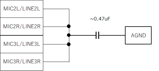
    1)  为了减少不必要的噪声拾取、应将未使用的输入连接在一起、并通过~0.47uF 电容器将交流耦合到 GND。

    2a.) 单声道输出端子连接到 HPLOT/HPROUT
    2b.) HPLCOM/HPRCOM 保持悬空、或参阅图25、26和27以了解一些不同的连接选项。
    2c.) RIGHT _ROP/ROM 和 LEFT_LOP/LOM 保持打开状态

    3)  您可以将其保持悬空或拉至 GND。

  • 请注意,本文内容源自机器翻译,可能存在语法或其它翻译错误,仅供参考。如需获取准确内容,请参阅链接中的英语原文或自行翻译。

    您好、Collin、

    非常感谢您的支持。 您能否再次确认您的答案并告诉我其他问题?

    1) 1)您的评论如下吗?

    4) 4)上电顺序:

    数据表显示
    ----------
    TLV320AIC3105被设计成能够极好地耐受电源定序。 但是、在中
    在极少数情况下、电源定序会导致意外情况。
    ----------

    如果 AVDD 启动 早于 IOVDD 启动、会发生什么情况? 是否会损坏器件?  

    此致、
    Nagata。

  • 请注意,本文内容源自机器翻译,可能存在语法或其它翻译错误,仅供参考。如需获取准确内容,请参阅链接中的英语原文或自行翻译。

    您好!

    1)  是的、没错。

    4)  该器件可耐受电源定序。  如需更多信息、请查看此详细常见问题解答:  https://e2e.ti.com/support/audio/f/6/t/952744