This thread has been locked.

If you have a related question, please click the "Ask a related question" button in the top right corner. The newly created question will be automatically linked to this question.

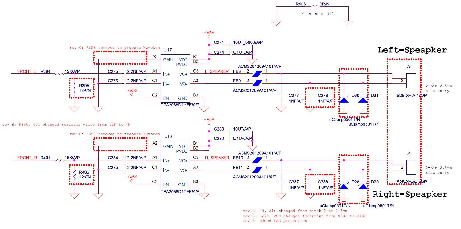
[参考译文] TPA2038D1:TPA2038D1原理图审阅

Guru**** 2540720 points
Other Parts Discussed in Thread: TPA2038D1

请注意,本文内容源自机器翻译,可能存在语法或其它翻译错误,仅供参考。如需获取准确内容,请参阅链接中的英语原文或自行翻译。

https://e2e.ti.com/support/audio-group/audio/f/audio-forum/783512/tpa2038d1-tpa2038d1-schematic-review

器件型号:TPA2038D1

大家好、

我们的客户遇到了 TPA2038D1供电的扬声器发出的烦人的声音(附带的 mov 文件)。 您能帮助查看随附的原理图吗? 期待您的评论,我们可以做的任何改进? 提前感谢。

e2e.ti.com/.../Video-with-annoying-noise.mov

  • 请注意,本文内容源自机器翻译,可能存在语法或其它翻译错误,仅供参考。如需获取准确内容,请参阅链接中的英语原文或自行翻译。
    您好、Don、

    我们将在明天观看视频和原理图并提供进一步的评论。

    此致、
    -Ivan Salazar
    应用工程师-低功耗音频和传动器
  • 请注意,本文内容源自机器翻译,可能存在语法或其它翻译错误,仅供参考。如需获取准确内容,请参阅链接中的英语原文或自行翻译。
    Don、

    您能否将视频发送到我的电子邮件:ivan.salazar@ti.com 或通过 e2e 上的私人邮件发送?
    我无法在浏览器上播放。

    此致、
    -Ivan Salazar
    应用工程师-低功耗音频和传动器