This thread has been locked.

If you have a related question, please click the "Ask a related question" button in the top right corner. The newly created question will be automatically linked to this question.

[参考译文] PCM1754:高频输出电压低于低频输出电压3dB

Guru**** 2562120 points
Other Parts Discussed in Thread: PCM1754

请注意,本文内容源自机器翻译,可能存在语法或其它翻译错误,仅供参考。如需获取准确内容,请参阅链接中的英语原文或自行翻译。

https://e2e.ti.com/support/audio-group/audio/f/audio-forum/863777/pcm1754-the-output-voltage-of-high-frequency-is-3db-lower-than-that-of-low-frequency

器件型号:PCM1754

当我们使用 pcm1754的 DAC 时、我们发现、当音频输出频率设置为20kHz 时、输出电压仅为输出电压的70%(设置为1kHz 时)。 我们希望音频输出频率在1kHz 至20kHz 的范围内变化、并且输出电压变化不会超过1dB。 是可以实现 pcm1754、还是推荐其他更好的方案。

  • 请注意,本文内容源自机器翻译,可能存在语法或其它翻译错误,仅供参考。如需获取准确内容,请参阅链接中的英语原文或自行翻译。

    您好、HY、

    请分享您的原理图。  您是否实施了任何低通滤波器来消除带外噪声?

    谢谢、

    Paul

  • 请注意,本文内容源自机器翻译,可能存在语法或其它翻译错误,仅供参考。如需获取准确内容,请参阅链接中的英语原文或自行翻译。

    尊敬的 Paul:

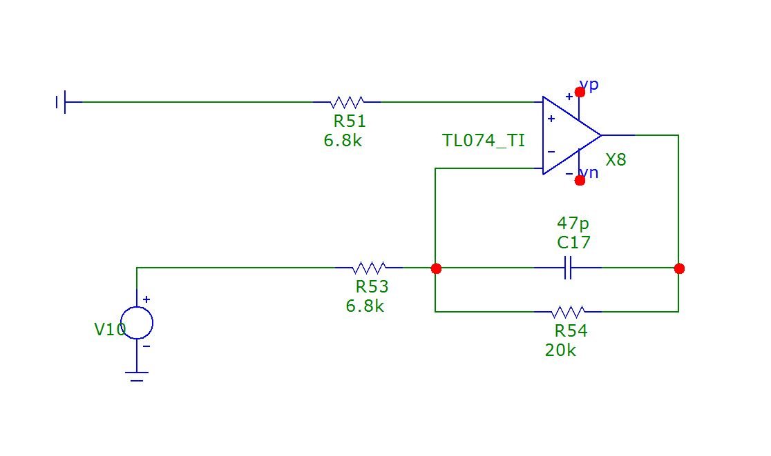
    现在我也遇到了同样的问题、这是低通滤波器原理图和频率响应。  

    PCM1754的频率响应范围是多少?它是否无法实现20kHz、就像下面的规格一样?


     

    谢谢、   

    Zengrong[引用用户="Paul_Frost]Paul[/quot]

  • 请注意,本文内容源自机器翻译,可能存在语法或其它翻译错误,仅供参考。如需获取准确内容,请参阅链接中的英语原文或自行翻译。

    您好 Zengrong、

    图5是器件中数字滤波器在过采样后的响应。  这用于"噪声整形"、从而降低可闻频带中的噪声。  DAC 中不应有任何因素阻止输出产生20kHz (采样率足够高)。   

    谢谢、

    Paul

  • 请注意,本文内容源自机器翻译,可能存在语法或其它翻译错误,仅供参考。如需获取准确内容,请参阅链接中的英语原文或自行翻译。

    尊敬的 Paul:

    这些对我非常有用。

    谢谢、

    Zengrong