This thread has been locked.

If you have a related question, please click the "Ask a related question" button in the top right corner. The newly created question will be automatically linked to this question.

[参考译文] TLV320ADC3101:PGA 是否始终可以闭合?

Guru**** 2386620 points
请注意,本文内容源自机器翻译,可能存在语法或其它翻译错误,仅供参考。如需获取准确内容,请参阅链接中的英语原文或自行翻译。

https://e2e.ti.com/support/audio-group/audio/f/audio-forum/696069/tlv320adc3101-whether-can-pga-always-be-closed

器件型号:TLV320ADC3101

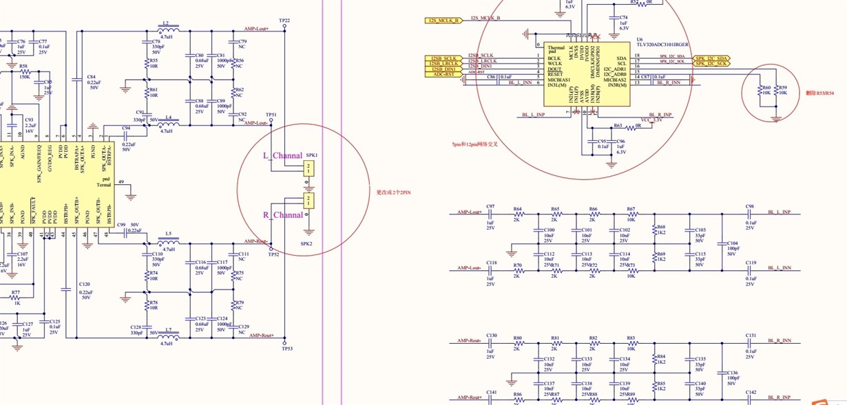
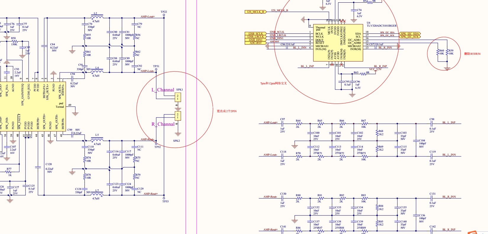
请 查看下面的 ADC_Loopback 原理图、并想知道是否可以始终关闭 PGA?

amixer cset numid=6、iface=Mixer、name='IC PGA Switch' 1打开


  • 请注意,本文内容源自机器翻译,可能存在语法或其它翻译错误,仅供参考。如需获取准确内容,请参阅链接中的英语原文或自行翻译。

    您好、Lian、

    我查看了原理图、我唯一的意见是差分输入标签看起来不正确。 在差分模式下、相应的对为 IN1L (P)/IN1R (M)、IN2L (P)/IN3L (M)和 IN2R (P)/IN3R (M)。 在原理图中、IN2L (P)与 IN3R (M)配对、而 IN2R (P)与 IN30L (M)配对。

    您能详细说明一下您对 PGA 的问题吗?

    此致、

     Diego Melendez López í a
      音频应用工程师

  • 请注意,本文内容源自机器翻译,可能存在语法或其它翻译错误,仅供参考。如需获取准确内容,请参阅链接中的英语原文或自行翻译。

    您好 Diego Melendez López:

    感谢您的建议。

    我们需要比较用于降低谐波的 MIC 输入和 ADC 环回算法。

    原理图如下所示:

    请 请帮助您检查并询问有关实现环回的 ADC PGA 开关的一些问题、如下所示:

    1. 在我们通过 MIC 录制时是否需要同时打开 ADC PGA 开关。

    2.何时需要打开或关闭 ADC PAG 开关? 您能提供一些条件吗?

    我们是否 可以始终关闭 ADC PGA 开关?

    请 帮助!

  • 请注意,本文内容源自机器翻译,可能存在语法或其它翻译错误,仅供参考。如需获取准确内容,请参阅链接中的英语原文或自行翻译。

    您好、祝您好运、

    您能否提供有关打开和关闭 PGA 开关定义的详细信息? 我假设您是指 ADC 输入端到每个 PGA 的输入连接。 如果是这样、对于这样的应用、没有特殊要求打开或关闭它、您可以将每个通道的差分信号连接到相应的 PGA、并始终保持连接。

    Q1中提到还提供了麦克风记录选项、如果是、您需要断开放大器输出与 PGA 之间的连接、并将麦克风信号(不在原理图中)路由到相应的 PGA。

    更改输入路由的条件主要包括在进行任何更改之前将器件 ADC 静音、并在应用所有更改后取消静音。

    此致、

     Diego Melendez López í a
      音频应用工程师