请注意,本文内容源自机器翻译,可能存在语法或其它翻译错误,仅供参考。如需获取准确内容,请参阅链接中的英语原文或自行翻译。
器件型号:TLV320AIC3110 您好!
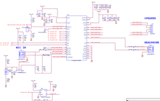
我们在 I2S 接口的设计中使用了 TLV320AIC3110IRHBR 音频编解码器。 我们想知道扬声器选择的规格。 在数据表中给出了1.29W 扬声器、我们可以选择低于1.29W 额定功率的扬声器吗? 选择1W 扬声器是否足够? 我们还想知道有关扬声器的任何应用手册。 请查看以下音频编解码器设计并分享您的评论。

谢谢
S·萨蒂亚·斯里