This thread has been locked.

If you have a related question, please click the "Ask a related question" button in the top right corner. The newly created question will be automatically linked to this question.

[参考译文] PCM6260-Q1:设置问题

Guru**** 2390755 points
Other Parts Discussed in Thread: PUREPATHCONSOLE

请注意,本文内容源自机器翻译,可能存在语法或其它翻译错误,仅供参考。如需获取准确内容,请参阅链接中的英语原文或自行翻译。

https://e2e.ti.com/support/audio-group/audio/f/audio-forum/1286226/pcm6260-q1-setting-problem

器件型号:PCM6260-Q1
主题中讨论的其他器件:PUREPATHCONSOLE

您好

客户电路板当前安装了两个 PCM6260。 GPIO1已经连接到 GPIO 中断。 但无论您如何调整 bin 文件的寄存器设置值、都无法成功记录

  • 请注意,本文内容源自机器翻译,可能存在语法或其它翻译错误,仅供参考。如需获取准确内容,请参阅链接中的英语原文或自行翻译。

    大家好、Gareth:

    客户是将两个器件的音频总线菊链在一起、还是单独配置这些器件后仍然无法录制音频?

    菊花链:

    此应用手册提供了有关如何在此模式下进行配置的说明:  

    具有共享 TDM 和 I2C 总线的多个 PCm6xx0器件

    标准模式:

    寄存器转储。

    此致

  • 请注意,本文内容源自机器翻译,可能存在语法或其它翻译错误,仅供参考。如需获取准确内容,请参阅链接中的英语原文或自行翻译。

    你好,Daveon

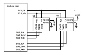
    不完全相同、我们分别使用两个连接到两个 PCM6260的 SAI、SAI2和 SAI3、如下图所示。I2C 使用相同的 I2C 总线

    PCM6240都可以正常读取和写入 I2C 数据、驱动程序可以读取这些数据。 当驱动程序未安装时、您可以使用 i2cdump–y 2 0x48来查看 Reg 值。

    3.. PCM6260引脚28 GPIO1未连接到 MCLK、但设置为中断输出。 它可以正常记录吗?

  • 请注意,本文内容源自机器翻译,可能存在语法或其它翻译错误,仅供参考。如需获取准确内容,请参阅链接中的英语原文或自行翻译。

    大家好、Gareth:

    我不确定您的映像是否正确写入/配置器件。 我建议确认从地址是否正确、例如器件 A 为90hex、器件 B 为92。我还建议在 PurePathConsole 3中配置器件、执行寄存器转储、然后根据该文件写入器件。

    下面是两种器件的4通道差分输入、32位字长、TDM 的示例

    //器件 A

    # CHECKSUM 0
    # -----------------------------------------------------------------------------
    # Reset
    # -----------------------------------------------------------------------------
    # Select Page 0
    w 90 00 00
    # Reset Device
    w 90 01 01
    # 1mS Delay
    # -----------------------------------------------------------------------------
    # Begin Device Memory
    # -----------------------------------------------------------------------------
    # Page 0 (0x00) Dump
    # Select Page 0
    w 90 00 00
    w 90 02 81
    # 2s Delay After Disabling Sleep
    w 90 05 05
    w 90 07 30
    w 90 08 00
    w 90 09 00
    # ASI Output CH1
    w 90 0b 00
    # ASI Output CH2
    w 90 0c 01
    # ASI Output CH3
    w 90 0d 02
    # ASI Output CH4
    w 90 0e 03
    # ASI Output CH5
    w 90 0f 04
    # ASI Output CH6
    w 90 10 05
    # ASI Output CH7
    w 90 11 06
    # ASI Output CH8
    w 90 12 07
    # ASI Configuration
    w 90 13 02
    w 90 14 48
    w 90 15 ff
    w 90 16 10
    w 90 17 10
    w 90 18 04
    w 90 19 20
    w 90 1a 02
    w 90 1b 08
    w 90 1c 00
    w 90 1d 00
    w 90 1e 02
    w 90 1f 40
    # GPIO1
    w 90 21 22
    w 90 26 00
    w 90 27 00
    w 90 28 00
    # GPO_VAL
    w 90 29 ff
    # Interupt Mask1 for Diagnostics Channels
    w 90 2a 03
    # Interupt Mask2 for Diagnostics Fault type
    w 90 2b 00
    # PDMDIN3_GPI3/PDMDIN4_GPI4
    w 90 2c 00
    w 90 2d 00
    w 90 2e 00
    w 90 2f 00
    w 90 30 00
    w 90 31 00
    w 90 32 00
    w 90 33 00
    # Interupt Mask3 for Overvoltge/high current
    w 90 34 00
    w 90 35 00
    w 90 36 00
    w 90 37 00
    # Diagnostics Micbias current threshold
    w 90 38 ba
    w 90 39 4b
    w 90 3a 00
    # Micbias Configuration
    w 90 3b f0
    # CH1 CFG, Gain, Volume, Gain cal, phase cal
    w 90 3c 80
    w 90 3d 00
    w 90 3e c9
    w 90 3f 80
    w 90 40 00
    # CH2 CFG, Gain, Volume, Gain cal, phase cal
    w 90 41 80
    w 90 42 00
    w 90 43 c9
    w 90 44 80
    w 90 45 00
    # CH3 CFG, Gain, Volume, Gain cal, phase cal
    w 90 46 10
    w 90 47 00
    w 90 48 c9
    w 90 49 80
    w 90 4a 00
    # CH4 CFG, Gain, Volume, Gain cal, phase cal
    w 90 4b 10
    w 90 4c 00
    w 90 4d c9
    w 90 4e 80
    w 90 4f 00
    # CH5 CFG, Gain, Volume, Gain cal, phase cal
    w 90 50 10
    w 90 51 00
    w 90 52 c9
    w 90 53 80
    w 90 54 00
    # CH6 CFG, Gain, Volume, Gain cal, phase cal
    w 90 55 10
    w 90 56 00
    w 90 57 c9
    w 90 58 80
    w 90 59 00
    # Enable Diagnostics
    w 90 64 00
    # Thresholds for Input short and short to VBAT
    w 90 65 37
    # Thresholds for Short to GND and Short to MICBIAS
    w 90 66 87
    # DIAG_CFG3
    w 90 67 b8
    # DIAG_CFG4
    w 90 68 00
    # DSP_CFG0
    w 90 6b 01
    # DSP_CFG1
    w 90 6c 48
    # AGC CFG
    w 90 70 e7
    # Input Channel Enable
    w 90 73 f0
    w 90 74 f0
    w 90 76 00
    w 90 77 80
    # Page 2 (0x02) Dump
    # Select page 2
    w 90 00 02
    # Biquad 1 coefficients (N0, N1, N2, D1, D2)
    w 90 08 7f
    > ff
    > ff
    > ff
    w 90 0c 00
    > 00
    > 00
    > 00
    w 90 10 00
    > 00
    > 00
    > 00
    w 90 14 00
    > 00
    > 00
    > 00
    w 90 18 00
    > 00
    > 00
    > 00
    # Biquad 2 coefficients
    w 90 1c 7f
    > ff
    > ff
    > ff
    w 90 20 00
    > 00
    > 00
    > 00
    w 90 24 00
    > 00
    > 00
    > 00
    w 90 28 00
    > 00
    > 00
    > 00
    w 90 2c 00
    > 00
    > 00
    > 00
    # Biquad 3 coefficients
    w 90 30 7f
    > ff
    > ff
    > ff
    w 90 34 00
    > 00
    > 00
    > 00
    w 90 38 00
    > 00
    > 00
    > 00
    w 90 3c 00
    > 00
    > 00
    > 00
    w 90 40 00
    > 00
    > 00
    > 00
    # Biquad 4 coefficients
    w 90 44 7f
    > ff
    > ff
    > ff
    w 90 48 00
    > 00
    > 00
    > 00
    w 90 4c 00
    > 00
    > 00
    > 00
    w 90 50 00
    > 00
    > 00
    > 00
    w 90 54 00
    > 00
    > 00
    > 00
    # Biquad 5 coefficients
    w 90 58 7f
    > ff
    > ff
    > ff
    w 90 5c 00
    > 00
    > 00
    > 00
    w 90 60 00
    > 00
    > 00
    > 00
    w 90 64 00
    > 00
    > 00
    > 00
    w 90 68 00
    > 00
    > 00
    > 00
    # Biquad 6 coefficients
    w 90 6c 7f
    > ff
    > ff
    > ff
    w 90 70 00
    > 00
    > 00
    > 00
    w 90 74 00
    > 00
    > 00
    > 00
    w 90 78 00
    > 00
    > 00
    > 00
    w 90 7c 00
    > 00
    > 00
    > 00
    # Page 3 (0x03) Dump
    # Select page 3
    w 90 00 03
    # Biquad 7 coefficients
    w 90 08 7f
    > ff
    > ff
    > ff
    w 90 0c 00
    > 00
    > 00
    > 00
    w 90 10 00
    > 00
    > 00
    > 00
    w 90 14 00
    > 00
    > 00
    > 00
    w 90 18 00
    > 00
    > 00
    > 00
    # Biquad 8 coefficients
    w 90 1c 7f
    > ff
    > ff
    > ff
    w 90 20 00
    > 00
    > 00
    > 00
    w 90 24 00
    > 00
    > 00
    > 00
    w 90 28 00
    > 00
    > 00
    > 00
    w 90 2c 00
    > 00
    > 00
    > 00
    # Biquad 9 coefficients
    w 90 30 7f
    > ff
    > ff
    > ff
    w 90 34 00
    > 00
    > 00
    > 00
    w 90 38 00
    > 00
    > 00
    > 00
    w 90 3c 00
    > 00
    > 00
    > 00
    w 90 40 00
    > 00
    > 00
    > 00
    # Biquad 10 coefficients
    w 90 44 7f
    > ff
    > ff
    > ff
    w 90 48 00
    > 00
    > 00
    > 00
    w 90 4c 00
    > 00
    > 00
    > 00
    w 90 50 00
    > 00
    > 00
    > 00
    w 90 54 00
    > 00
    > 00
    > 00
    # Biquad 11 coefficients
    w 90 58 7f
    > ff
    > ff
    > ff
    w 90 5c 00
    > 00
    > 00
    > 00
    w 90 60 00
    > 00
    > 00
    > 00
    w 90 64 00
    > 00
    > 00
    > 00
    w 90 68 00
    > 00
    > 00
    > 00
    # Biquad 12 coefficients
    w 90 6c 7f
    > ff
    > ff
    > ff
    w 90 70 00
    > 00
    > 00
    > 00
    w 90 74 00
    > 00
    > 00
    > 00
    w 90 78 00
    > 00
    > 00
    > 00
    w 90 7c 00
    > 00
    > 00
    > 00
    # Page 4 (0x04) Dump
    # Select page 4
    w 90 00 04
    w 90 08 7f
    > ff
    > ff
    > ff
    w 90 0c 00
    > 00
    > 00
    > 00
    w 90 10 00
    > 00
    > 00
    > 00
    w 90 14 00
    > 00
    > 00
    > 00
    w 90 18 00
    > 00
    > 00
    > 00
    w 90 1c 7f
    > ff
    > ff
    > ff
    w 90 20 00
    > 00
    > 00
    > 00
    w 90 24 00
    > 00
    > 00
    > 00
    w 90 28 00
    > 00
    > 00
    > 00
    w 90 2c 00
    > 00
    > 00
    > 00
    w 90 30 7f
    > ff
    > ff
    > ff
    w 90 34 00
    > 00
    > 00
    > 00
    w 90 38 00
    > 00
    > 00
    > 00
    w 90 3c 00
    > 00
    > 00
    > 00
    w 90 40 00
    > 00
    > 00
    > 00
    w 90 44 7f
    > ff
    > ff
    > ff
    # High pass filter coefficients
    w 90 48 7f
    > ff
    > ff
    > ff
    w 90 4c 00
    > 00
    > 00
    > 00
    w 90 50 00
    > 00
    > 00
    > 00
    # Power up/down
    # Select page 0
    w 90 00 00
    w 90 75 80
    
    
    
    

    //器件 B

    # CHECKSUM 0
    # -----------------------------------------------------------------------------
    # Reset
    # -----------------------------------------------------------------------------
    # Select Page 0
    w 92 00 00
    # Reset Device
    w 92 01 01
    # 1mS Delay
    # -----------------------------------------------------------------------------
    # Begin Device Memory
    # -----------------------------------------------------------------------------
    # Page 0 (0x00) Dump
    # Select Page 0
    w 92 00 00
    w 92 02 81
    # 2s Delay After Disabling Sleep
    w 92 05 05
    w 92 07 30
    w 92 08 00
    w 92 09 00
    # ASI Output CH1
    w 92 0b 00
    # ASI Output CH2
    w 92 0c 01
    # ASI Output CH3
    w 92 0d 02
    # ASI Output CH4
    w 92 0e 03
    # ASI Output CH5
    w 92 0f 04
    # ASI Output CH6
    w 92 10 05
    # ASI Output CH7
    w 92 11 06
    # ASI Output CH8
    w 92 12 07
    # ASI Configuration
    w 92 13 02
    w 92 14 48
    w 92 15 ff
    w 92 16 10
    w 92 17 10
    w 92 18 04
    w 92 19 20
    w 92 1a 02
    w 92 1b 08
    w 92 1c 00
    w 92 1d 00
    w 92 1e 02
    w 92 1f 40
    # GPIO1
    w 92 21 22
    w 92 26 00
    w 92 27 00
    w 92 28 00
    # GPO_VAL
    w 92 29 ff
    # Interupt Mask1 for Diagnostics Channels
    w 92 2a 03
    # Interupt Mask2 for Diagnostics Fault type
    w 92 2b 00
    # PDMDIN3_GPI3/PDMDIN4_GPI4
    w 92 2c 00
    w 92 2d 00
    w 92 2e 00
    w 92 2f 00
    w 92 30 00
    w 92 31 00
    w 92 32 00
    w 92 33 00
    # Interupt Mask3 for Overvoltge/high current
    w 92 34 00
    w 92 35 00
    w 92 36 00
    w 92 37 00
    # Diagnostics Micbias current threshold
    w 92 38 ba
    w 92 39 4b
    w 92 3a 00
    # Micbias Configuration
    w 92 3b f0
    # CH1 CFG, Gain, Volume, Gain cal, phase cal
    w 92 3c 80
    w 92 3d 00
    w 92 3e c9
    w 92 3f 80
    w 92 40 00
    # CH2 CFG, Gain, Volume, Gain cal, phase cal
    w 92 41 80
    w 92 42 00
    w 92 43 c9
    w 92 44 80
    w 92 45 00
    # CH3 CFG, Gain, Volume, Gain cal, phase cal
    w 92 46 10
    w 92 47 00
    w 92 48 c9
    w 92 49 80
    w 92 4a 00
    # CH4 CFG, Gain, Volume, Gain cal, phase cal
    w 92 4b 10
    w 92 4c 00
    w 92 4d c9
    w 92 4e 80
    w 92 4f 00
    # CH5 CFG, Gain, Volume, Gain cal, phase cal
    w 92 50 10
    w 92 51 00
    w 92 52 c9
    w 92 53 80
    w 92 54 00
    # CH6 CFG, Gain, Volume, Gain cal, phase cal
    w 92 55 10
    w 92 56 00
    w 92 57 c9
    w 92 58 80
    w 92 59 00
    # Enable Diagnostics
    w 92 64 00
    # Thresholds for Input short and short to VBAT
    w 92 65 37
    # Thresholds for Short to GND and Short to MICBIAS
    w 92 66 87
    # DIAG_CFG3
    w 92 67 b8
    # DIAG_CFG4
    w 92 68 00
    # DSP_CFG0
    w 92 6b 01
    # DSP_CFG1
    w 92 6c 48
    # AGC CFG
    w 92 70 e7
    # Input Channel Enable
    w 92 73 f0
    w 92 74 f0
    w 92 76 00
    w 92 77 80
    # Page 2 (0x02) Dump
    # Select page 2
    w 92 00 02
    # Biquad 1 coefficients (N0, N1, N2, D1, D2)
    w 92 08 7f
    > ff
    > ff
    > ff
    w 92 0c 00
    > 00
    > 00
    > 00
    w 92 10 00
    > 00
    > 00
    > 00
    w 92 14 00
    > 00
    > 00
    > 00
    w 92 18 00
    > 00
    > 00
    > 00
    # Biquad 2 coefficients
    w 92 1c 7f
    > ff
    > ff
    > ff
    w 92 20 00
    > 00
    > 00
    > 00
    w 92 24 00
    > 00
    > 00
    > 00
    w 92 28 00
    > 00
    > 00
    > 00
    w 92 2c 00
    > 00
    > 00
    > 00
    # Biquad 3 coefficients
    w 92 30 7f
    > ff
    > ff
    > ff
    w 92 34 00
    > 00
    > 00
    > 00
    w 92 38 00
    > 00
    > 00
    > 00
    w 92 3c 00
    > 00
    > 00
    > 00
    w 92 40 00
    > 00
    > 00
    > 00
    # Biquad 4 coefficients
    w 92 44 7f
    > ff
    > ff
    > ff
    w 92 48 00
    > 00
    > 00
    > 00
    w 92 4c 00
    > 00
    > 00
    > 00
    w 92 50 00
    > 00
    > 00
    > 00
    w 92 54 00
    > 00
    > 00
    > 00
    # Biquad 5 coefficients
    w 92 58 7f
    > ff
    > ff
    > ff
    w 92 5c 00
    > 00
    > 00
    > 00
    w 92 60 00
    > 00
    > 00
    > 00
    w 92 64 00
    > 00
    > 00
    > 00
    w 92 68 00
    > 00
    > 00
    > 00
    # Biquad 6 coefficients
    w 92 6c 7f
    > ff
    > ff
    > ff
    w 92 70 00
    > 00
    > 00
    > 00
    w 92 74 00
    > 00
    > 00
    > 00
    w 92 78 00
    > 00
    > 00
    > 00
    w 92 7c 00
    > 00
    > 00
    > 00
    # Page 3 (0x03) Dump
    # Select page 3
    w 92 00 03
    # Biquad 7 coefficients
    w 92 08 7f
    > ff
    > ff
    > ff
    w 92 0c 00
    > 00
    > 00
    > 00
    w 92 10 00
    > 00
    > 00
    > 00
    w 92 14 00
    > 00
    > 00
    > 00
    w 92 18 00
    > 00
    > 00
    > 00
    # Biquad 8 coefficients
    w 92 1c 7f
    > ff
    > ff
    > ff
    w 92 20 00
    > 00
    > 00
    > 00
    w 92 24 00
    > 00
    > 00
    > 00
    w 92 28 00
    > 00
    > 00
    > 00
    w 92 2c 00
    > 00
    > 00
    > 00
    # Biquad 9 coefficients
    w 92 30 7f
    > ff
    > ff
    > ff
    w 92 34 00
    > 00
    > 00
    > 00
    w 92 38 00
    > 00
    > 00
    > 00
    w 92 3c 00
    > 00
    > 00
    > 00
    w 92 40 00
    > 00
    > 00
    > 00
    # Biquad 10 coefficients
    w 92 44 7f
    > ff
    > ff
    > ff
    w 92 48 00
    > 00
    > 00
    > 00
    w 92 4c 00
    > 00
    > 00
    > 00
    w 92 50 00
    > 00
    > 00
    > 00
    w 92 54 00
    > 00
    > 00
    > 00
    # Biquad 11 coefficients
    w 92 58 7f
    > ff
    > ff
    > ff
    w 92 5c 00
    > 00
    > 00
    > 00
    w 92 60 00
    > 00
    > 00
    > 00
    w 92 64 00
    > 00
    > 00
    > 00
    w 92 68 00
    > 00
    > 00
    > 00
    # Biquad 12 coefficients
    w 92 6c 7f
    > ff
    > ff
    > ff
    w 92 70 00
    > 00
    > 00
    > 00
    w 92 74 00
    > 00
    > 00
    > 00
    w 92 78 00
    > 00
    > 00
    > 00
    w 92 7c 00
    > 00
    > 00
    > 00
    # Page 4 (0x04) Dump
    # Select page 4
    w 92 00 04
    w 92 08 7f
    > ff
    > ff
    > ff
    w 92 0c 00
    > 00
    > 00
    > 00
    w 92 10 00
    > 00
    > 00
    > 00
    w 92 14 00
    > 00
    > 00
    > 00
    w 92 18 00
    > 00
    > 00
    > 00
    w 92 1c 7f
    > ff
    > ff
    > ff
    w 92 20 00
    > 00
    > 00
    > 00
    w 92 24 00
    > 00
    > 00
    > 00
    w 92 28 00
    > 00
    > 00
    > 00
    w 92 2c 00
    > 00
    > 00
    > 00
    w 92 30 7f
    > ff
    > ff
    > ff
    w 92 34 00
    > 00
    > 00
    > 00
    w 92 38 00
    > 00
    > 00
    > 00
    w 92 3c 00
    > 00
    > 00
    > 00
    w 92 40 00
    > 00
    > 00
    > 00
    w 92 44 7f
    > ff
    > ff
    > ff
    # High pass filter coefficients
    w 92 48 7f
    > ff
    > ff
    > ff
    w 92 4c 00
    > 00
    > 00
    > 00
    w 92 50 00
    > 00
    > 00
    > 00
    # Power up/down
    # Select page 0
    w 92 00 00
    w 92 75 80
    
    
    
    

    此致、

  • 请注意,本文内容源自机器翻译,可能存在语法或其它翻译错误,仅供参考。如需获取准确内容,请参阅链接中的英语原文或自行翻译。

    你好,Daveon

    您可以在 PurePath 中看到 PCM6240 (如附件 ppc3.png)。 修改设置后、我使用了 Windows 的内置录制程序、但没有录制声音。 是否使用内置录制程序进行录制? 或者使用 PurePath 控制台3进行记录?

  • 请注意,本文内容源自机器翻译,可能存在语法或其它翻译错误,仅供参考。如需获取准确内容,请参阅链接中的英语原文或自行翻译。

    大家好、Gareth:

    如果您使用 EVM 进行评估、则设备录制过程有3个选项(USB、Optical 或 External ASI)。 EVM 用户指南的第2.1节对此进行了说明。

    我不确定用于录制的 Windows 内置程序是什么、但您可以使用 Audacity 通过 USB 直接从 EVM 记录 DOUT 数据。 只需确保时钟速率和字长与 ASI 输入一致。 播放1kHz 输入音调、您应该会看到"Audity"中相应的正弦波。

    PurePathConsole 3不记录音频数据、用作与器件直观连接的配置/表征工具。 在 PCM6260情况下、它还可以进行实时监控诊断。

    此致、

  • 请注意,本文内容源自机器翻译,可能存在语法或其它翻译错误,仅供参考。如需获取准确内容,请参阅链接中的英语原文或自行翻译。

    你好,Daveon

    现在将 PCM6260-EVB 与 PPC3配合使用、加载预设的2通道差分直流耦合麦克风输入设置值、我可以记录到 IN1和 IN2、但当我选择外部 ASI 作为选择源并将其连接到自己的板时、我也无法记录。 我是否需要更改任何设置? 目前、客户的板 GPIO 无法向 PCM6260-EVB 提供 MCLK。 这是否会产生影响?

  • 请注意,本文内容源自机器翻译,可能存在语法或其它翻译错误,仅供参考。如需获取准确内容,请参阅链接中的英语原文或自行翻译。

    您好!

    MCLK 输入是可选的、BCLK、FSYNC 和 DOUT 就足够了。 在运行过程中、器件只需要电源、正确的时钟和模拟输入。 因此、我建议确认 EVM 测试点上的 BCLK 和 FSYNC 频率。 您测量什么、PPC 会在"音频串行总线"选项卡上识别它?

    此致、