This thread has been locked.

If you have a related question, please click the "Ask a related question" button in the top right corner. The newly created question will be automatically linked to this question.

[参考译文] TLV320AIC3110:TLV320AIC3110声卡芯片麦克风采集距离问题。

Guru**** 2501285 points
Other Parts Discussed in Thread: TLV320AIC3110

请注意,本文内容源自机器翻译,可能存在语法或其它翻译错误,仅供参考。如需获取准确内容,请参阅链接中的英语原文或自行翻译。

https://e2e.ti.com/support/audio-group/audio/f/audio-forum/1338013/tlv320aic3110-tlv320aic3110-sound-card-chip-microphone-acquisition-distance-problem

器件型号:TLV320AIC3110

您好、TI 团队、

分销产品中的客户使用 TI 的 TLV320AIC3110芯片、这款产品可满足录音、回放和环路输出功能的要求。
我们的测试发现,麦克风与声源的距离超过10厘米后,无法采集音频,导致不能使用语音通话,除非直接对着麦克风讲话。
随附的是相关原理图。 我们对 TI 的芯片手册做了相应的调整、但是还没有改善。
请帮助查看您是否可以提供支持、谢谢。

  • 请注意,本文内容源自机器翻译,可能存在语法或其它翻译错误,仅供参考。如需获取准确内容,请参阅链接中的英语原文或自行翻译。

    尊敬的 Ken:

    麦克风输出的 rms 电平是多少? 器件的满量程为707mVrms、麦克风电平需要是其中的一小部分。 此外、您是否正在使用双二阶滤波或 AGC 等增强功能? 在这样的应用中、AGC 很有用、有助于远离信号源的声音、但可能会错过配置。

    此致、
    J·麦克弗森

  • 请注意,本文内容源自机器翻译,可能存在语法或其它翻译错误,仅供参考。如需获取准确内容,请参阅链接中的英语原文或自行翻译。

    尊敬的 Jeff:

    我们 不 知道 如何  获得  rms 电平 值 、但 根据   手册、 我们 看到   SPL 值 为 91dB。  并且           启用 AGC 后、效果不会发生变化。
     下面 显示了     page0的寄存器值:

    未  指定大小 (使用 字节数据 访问)
    0 1 2 3 4 5 6 7 8 9 a b c d e f 0123456789abcdef  
    00: 00 00 01 56 03 91 08  00 00 00 00 00    00 88 82 00  80 80 ..?V???????????
    10: 08 00 88 82 80  04  00 00 00  01 00 00  00  88 00  ??????? ……………………………
    20:   00 00 00 00 40 22 00 00 00 00 00     00 00 00    00@……………………………
    30:   00 00 00 02 32 12 01 02 02  11 10 00 01 04 00 14 ...?2????? …………
                     
                     
                     
                     
                     
                     
                     
                     
                     
                     
                     
                     


                

    ………………… 40: 0C 00 00 00 6F 38 00 00 00 00 00 00 ee 10 D8 7e E3 ?... ???~? 50: 00 80 00 10 00 00 80 00 7f 00 00 00 00 00 53 00 ... 60:00 00 00 00 00 00 00 00 00 00 00 00 00 00 00 00 00 00. 70:00 00 00 00 00 00 00 00 00 00 00 00 00 00 00 00 00 00 00. 80:00 00 00 00 00 00 00 00 00 00 00 00 00 00 00 00 00 00. 90:00 00 00 00 00 00 00 00 00 00 00 00 00 00 00 00 00 00. A0:00 00 00 00 00 00 00 00 00 00 00 00 00 00 00 00 00 00 00. B0:00 00 00 00 00 00 00 00 00 00 00 00 00 00 00 00 00 00. C0:00 00 00 00 00 00 00 00 00 00 00 00 00 00 00 00 00 00. D0:00 00 00 00 00 00 00 00 00 00 00 00 00 00 00 00 00 00. E0:00 00 00 00 00 00 00 00 00 00 00 00 00 00 00 00 00 00. F0:00 00 00 00 00 00 00 00 00 00 00 00 00 00 00 00 00 00. 可以看到地址0x56的值为0x80。 因此启用了 AGC。
  • 请注意,本文内容源自机器翻译,可能存在语法或其它翻译错误,仅供参考。如需获取准确内容,请参阅链接中的英语原文或自行翻译。

    您好、Paul、

    SPL 值是麦克风可接收的最大声压的度量值。 不可能测量麦克风输出电压、例如在耦合电容器的器件引脚或器件侧?

    您可以参阅此应用手册、了解如何设置 AGC。 它提供了比数据表更详细的信息: https://www.ti.com/lit/an/slaa446/slaa446.pdf?AGC=1710858430576&ref_url=https%253A%252F%252Fwww.ti.com%252Fproduct%252FTLV320AIC3110 您的阈值可能设置得太高、因此 ts 会在您距离麦克风太远时将麦克风信号视为噪声。

    如果您有任何进一步的问题、请告诉我、
    J·麦克弗森

  • 请注意,本文内容源自机器翻译,可能存在语法或其它翻译错误,仅供参考。如需获取准确内容,请参阅链接中的英语原文或自行翻译。

    尊敬的 Jeff:

    感谢您的答复。 我们将再次研究 AGC 参数配置、 在对 ADC 上电之前可能我们尚未进行设置。

    此外、我们将继续寻找测试均方根电平值的方法。

    此致、

    保罗

  • 请注意,本文内容源自机器翻译,可能存在语法或其它翻译错误,仅供参考。如需获取准确内容,请参阅链接中的英语原文或自行翻译。

    您好、Paul、

    感谢您的更新。 如果有人提出任何进一步的问题、请告诉我。

    此致、
    J·麦克弗森

  • 请注意,本文内容源自机器翻译,可能存在语法或其它翻译错误,仅供参考。如需获取准确内容,请参阅链接中的英语原文或自行翻译。

    尊敬的 Jeff:

    感谢您的支持。 我叫 Carl、是 Paul 的一位同事。 在上面的寄存器表中、地址为0x56的寄存器的值为0x80、表示 AGC 增益已开启、目标电平为-5.5dB。 地址为0x57的寄存器的值为0x00、表示禁用了 AGC 噪声和静音检测。 因此、这可能不是由高噪声阈值设置造成的。 还有其他思维方式吗? 此外、我们还测量了将麦克风连接到音频输入端口和直接连接到音频输入端口的计算机的输入波形、如下所示。

      

    连接麦克风时的峰值为200以上、而连接计算机时的峰值为500以上。 我们希望这对您有所帮助。

    此致、

    卡尔

  • 请注意,本文内容源自机器翻译,可能存在语法或其它翻译错误,仅供参考。如需获取准确内容,请参阅链接中的英语原文或自行翻译。

    Carl、您好!

    如果禁用噪声阈值、我们现在可以忽略该部分。 来自计算机(线路)输入的电平是否令人满意? 如果是、问题可能出在麦克风本身。 它有什么类型的极坐标图?  

    您还可以检查是否应用了 AGC 增益(0x5D)? 我还注意到最大增益0x58的值为0x7f、这是保留值。 要获得允许的最大增益、该值应为0x77。

    尝试这几件事、让我知道情况如何、
    J·麦克弗森

  • 请注意,本文内容源自机器翻译,可能存在语法或其它翻译错误,仅供参考。如需获取准确内容,请参阅链接中的英语原文或自行翻译。

    尊敬的 Jeff:

    计算机输入水平令人满意。 我们尝试过各种型号的麦克风,它们都表现很差,但在计算机上用于语音通话时表现很好。 它们的方向性应是全向的。


    我尝试过各种 AGC 增益解决方案、包括文档中的两个示例和其他一些尝试、但都没有奏效。 下面是一个示例、0x5d 的值为0x09。

        0  1  2  3  4  5  6  7  8  9  a  b  c  d  e  f 0123456789abcdef
    00:00 00 01 56 03 91 08 00 00 00 00 00 00 88 82 00 80 80 ..?V???????????
    10:08 00 88 82 80 04 00 00 00 01 00 00 00 88 00??????? ……………………………
    20: 00 00 00 00 00 60 22 00 0A 00 00 00 00 00 00`………………………………………………………………………………… @μ A……
    30:00 00 00 02 32 12 01 02 02 11 10 00 01 04 00 14 ...?2????? …………

    ………………… 40: 0C 00 00 00 6F 38 00 00 00 00 00 00 ee 10 D8 7e E3 ?... ???~? 50:00 80 00 15 00 00 a0 7e 50 08 32 00 06 09 00 00 ..?~P?2 .. 60:00 00 00 00 00 00 00 00 00 00 00 00 00 00 00 00 00 00. 70:00 00 00 00 00 00 00 00 00 00 00 00 00 00 00 00 00 00 00. 80:00 00 00 00 00 00 00 00 00 00 00 00 00 00 00 00 00 00. 90:00 00 00 00 00 00 00 00 00 00 00 00 00 00 00 00 00 00. A0:00 00 00 00 00 00 00 00 00 00 00 00 00 00 00 00 00 00 00. B0:00 00 00 00 00 00 00 00 00 00 00 00 00 00 00 00 00 00. C0:00 00 00 00 00 00 00 00 00 00 00 00 00 00 00 00 00 00. D0:00 00 00 00 00 00 00 00 00 00 00 00 00 00 00 00 00 00. E0:00 00 00 00 00 00 00 00 00 00 00 00 00 00 00 00 00 00. F0:00 00 00 00 00 00 00 00 00 00 00 00 00 00 00 00 00 00. 我们发现,除非我们在麦克风旁边说话时能听到满意的声音强度,即使我们距离麦克风5厘米,声音强度也会急剧下降,几乎难以察觉。 我想这可能与 AGC 增益无关、而是与电路结构等其他问题有关。 期待收到您的意见。 此致、 卡尔
  • 请注意,本文内容源自机器翻译,可能存在语法或其它翻译错误,仅供参考。如需获取准确内容,请参阅链接中的英语原文或自行翻译。

    Carl、您好!

    看起来 AGC 当时只是应用了大约4.5dB 的增益、这完全在最大值范围内、因此我认为 AGC 不一定是问题所在。 此外还有去抖和迟滞等其他参数、但我很难在此论坛中建议如何远程设置这些参数、尽管我可以在需要时解释这些参数。 例如、如果您的测试信号快速从响亮变为柔和、您可以通过增加起音时间进行进一步实验。  

    快速检查是否是 AGC 的问题在于同时关闭 AGC、并手动对 PGA 进行编程、以查看是否可以找到满意的增益水平。 然后、假设问题消失、您可以使用这些信息来确定 AGC 具体的运行方式。 如果它仍然存在、那么它可能与 AGC 无关。

    当您收听录制的信号时、信号路径是什么? 您是否使用编解码器的扬声器输出、是否使用 PC 等? 我很想找到一个客观的衡量标准、来衡量令人满意的等级与您现在听到的信号快速下降的等级。

    此致、
    J·麦克弗森

  • 请注意,本文内容源自机器翻译,可能存在语法或其它翻译错误,仅供参考。如需获取准确内容,请参阅链接中的英语原文或自行翻译。

    尊敬的 Jeff:

    在昨天的实验中、我还设置了去抖和迟滞等参数、具体参数设置如下:
    W 56 A0 #启用 AGC、设置目标增益=-10 dB
    W 57 7E #设置迟滞=2 dB、噪声阈值=-90 dB
    W 58 50 #设置最大增益=40 dB
    W 59 08 #设置攻击时间=20 ms
    5A 32 #衰减时间=500 ms
    W 5B 00 #噪声去抖时间=0 ms
    W 5C 06 #信号去抖时间=2 ms


    这些无效。 我按照你的建议、关闭 AGC、设置 DRC 的一些参数、包括 PGA、用于测试、但结果不令人满意。 具体的参数设置如下所示、
    W 41 18 #使左 DAC 的增益=12 dB
    W 42 18 #使增益为右 DAC = 12 dB
    W 44 7F #为两个 DAC 通道启用 DRC、设置阈值=24dB、迟滞=3dB
    W 45 00 #使 DRC 保持=0 ms
    W 46 E2 #根据需要进行 DRC 攻击和衰减


    因此、高概率与 AGC 是不相关的。 我们的输入是通过3.5mm 接口连接到音频输入端口的麦克风、输出分为两种情况。 一个是耳机通过3.5mm 接口连接到音频环路端口、在这种情况下、即使麦克风靠近声源、几乎听不到声音。 另一种类型是对音频数据进行编码并通过网络传输到另一个设备、然后进行解码并在音频输出端口输出到耳机。 我一直在描述这种现象。 当麦克风靠近音频源时、声音正常、但当麦克风远离时、声音会急剧下降。 这也是我们产品的实际使用场景。


    TI 输入的音频数据被传送到 Rockchip 进行编码、解码后的数据传送到 TI 的输出端。 提供了音频输入和输出的电路图设计、以便解决此问题。 TI 和 Rockchip 的电路连接如下:

    如果这些都不足以得出有效的结论,我们可能需要技术人员提供现场支持。

    此致、

    卡尔

  • 请注意,本文内容源自机器翻译,可能存在语法或其它翻译错误,仅供参考。如需获取准确内容,请参阅链接中的英语原文或自行翻译。

    Carl、您好!

    我怀疑这与电路本身有关、因为它看起来非常简单、并且与典型应用相匹配。  

    由于您提到 I2S 正在被解码、您能否再次检查一下格式是否匹配? 如果格式不匹配、卷可能丢失。 一种检查方法是提供0或-1dBFS 的线路输入正弦波、并验证该值是否正在由 I2S 解码器记录。 然后、必须使用适当的增益设置 I2S 解码器。 我还想知道以 dB 值表示的音量下降的速度有多快。 例如、当关闭时、您会得到-6dB、但当距离10厘米以上时、音量为-64dB、或类似的值。

    您是否还能分享您正在使用的麦克风的数据表?

    编解码器中的音频环路(模拟输入->环回->模拟输出)往往会损失大量音量、需要许多 PGA 增益/线路输出增益是可闻的。

    此致、
    J·麦克弗森

  • 请注意,本文内容源自机器翻译,可能存在语法或其它翻译错误,仅供参考。如需获取准确内容,请参阅链接中的英语原文或自行翻译。

    尊敬的 Jeff:

    编码和解码是指 PCM 数据和 AAC 数据之间的转换、而不是模拟信号和数字信号之间的转换、因此我不明白您指的是什么格式以及应该如何测量。 此外、我不确定音量值是如何获得的、但从听觉角度来看、声音强度存在显著差异。 我不太明白麦克风的数据表是什么意思。 以下是此耳机的参数。

    规格参数

    额定输出功率:20mW

    频率响应:20-20kHz

    声压级:91dB

    标称阻抗:32Ω

    线长:2M

    连接器: 双3.5mm 立体声插头

    麦克风和耳机是两个3.5mm 插头,

    我们还需要提供什么、但由于我们不是与音频相关的专业人员、我们可能无法测试某些内容、可能需要一些帮助、例如测试文档。

    此致、

    卡尔

  • 请注意,本文内容源自机器翻译,可能存在语法或其它翻译错误,仅供参考。如需获取准确内容,请参阅链接中的英语原文或自行翻译。

    Carl、您好!

    我更好地理解。 很遗憾、TI 不支持我们的音频产品系列中的任何 AAC 器件、因此 我在该领域不了解。 但是、您提到使用计算机线路源音频是正常的、这可能不是 问题。

    如果您可以分享耳机的完整数据表、我可以通读该数据表、看看是否有任何帮助。

    至于测试、我想更好地了解麦克风音量急剧下降时发生的电气情况。 与以前的示波器屏幕截图类似、您是否能够捕获正面对着麦克风(例如5cm)与背面较远(10或20cm)时的输入电压差。

    谢谢!
    J·麦克弗森

  • 请注意,本文内容源自机器翻译,可能存在语法或其它翻译错误,仅供参考。如需获取准确内容,请参阅链接中的英语原文或自行翻译。

    尊敬的 Jeff:

    您说手机数据表时是指注册表吗? 如果是、请在上面提供。

        0  1  2  3  4  5  6  7  8  9  a  b  c  d  e  f 0123456789abcdef
    00:00 00 01 56 03 91 08 00 00 00 00 00 00 88 82 00 80 80 ..?V???????????
    10:08 00 88 82 80 04 00 00 00 01 00 00 00 88 00??????? ……………………………
    20:00 00 00 00 40 22 00 00 00 00 00 00 00 00 00@……………………………
    30:00 00 00 02 32 12 01 02 02 11 10 00 01 04 00 14 ...?2????? …………











     




    ………………… 40: 0C 00 00 00 6F 38 00 00 00 00 00 00 ee 10 D8 7e E3 ?... ???~? 50:00 80 00 15 00 00 a0 7e 50 08 32 00 06 13 00 00 ..?~P?2 .. 60:00 00 00 00 00 00 00 00 00 00 00 00 00 00 00 00 00 00. 70:00 00 00 00 00 00 00 00 00 00 00 00 00 00 00 00 00 00 00. 80:00 00 00 00 00 00 00 00 00 00 00 00 00 00 00 00 00 00. 90:00 00 00 00 00 00 00 00 00 00 00 00 00 00 00 00 00 00. A0:00 00 00 00 00 00 00 00 00 00 00 00 00 00 00 00 00 00 00. B0:00 00 00 00 00 00 00 00 00 00 00 00 00 00 00 00 00 00. C0:00 00 00 00 00 00 00 00 00 00 00 00 00 00 00 00 00 00. D0:00 00 00 00 00 00 00 00 00 00 00 00 00 00 00 00 00 00. E0:00 00 00 00 00 00 00 00 00 00 00 00 00 00 00 00 00 00. F0:00 00 00 00 00 00 00 00 00 00 00 00 00 00 00 00 00 00. 如果不是,我不明白是什么。 靠近麦克风讲话与远离麦克风讲话之间的输入电压差异不显著、峰值约为200+。 我们上次进行了这样的比较测试。 即使不对麦克风讲话、麦克风输入音频的峰值电压差也约为200。 只有在麦克风旁边大声说话时、此峰值才会达到300以上。 通过麦克风收集的音频强度总是令人不满意、无论是近距离说话还是远说话、我认为这是关键所在。 谢谢! 卡尔
  • 请注意,本文内容源自机器翻译,可能存在语法或其它翻译错误,仅供参考。如需获取准确内容,请参阅链接中的英语原文或自行翻译。

    Carl、您好!

    您是如何获得之前分享的耳机的规格的? 这就是我提到的文档。

    我同意、我认为麦克风响应是问题所在。 似乎很多噪声可能会妨碍您很好地听到信号? 如果说话或不说话时的峰值相同、则可能是问题所在。 您可以使用几个选项来更改输入阻抗以及共模电压的输入阻抗。

    需要确认的几件事是通过麦克风在空气中播放正弦音并测量结果(SNR)。 我之前还建议关闭 AGC 和 DRC 并使用高 PGA 增益来查看信号音量是否提高。 由此产生的结果是什么?

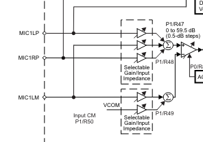
    在再次查看原理图时、我发现您连接了左右两个通道、但只有一个麦克风? 是否使用 P1R47混合使用了 MIC1LP 和 MIC1RP? 连接器的尖端和环是如何连接到麦克风的? 这是我需要查看耳机产品说明书的另一个原因。

    此致、
    J·麦克弗森