This thread has been locked.

If you have a related question, please click the "Ask a related question" button in the top right corner. The newly created question will be automatically linked to this question.

[参考译文] LMK04832-SP:评估套件寄存器中遵循了引脚成型详细信息(订购)、

Guru**** 2536590 points
Other Parts Discussed in Thread: LMK04832-SP, LMX2615-SP

请注意,本文内容源自机器翻译,可能存在语法或其它翻译错误,仅供参考。如需获取准确内容,请参阅链接中的英语原文或自行翻译。

https://e2e.ti.com/support/clock-timing-group/clock-and-timing/f/clock-timing-forum/1497190/lmk04832-sp-pin-forming-details-fancort-followed-in-the-evaluation-kit-reg

器件型号:LMK04832-SP
主题中讨论的其他器件: LMX2615-SP

工具/软件:

您好、

 我们在项目中使用 LMK04832-SP、并请分享引脚成形详细信息(Fancort)、然后再分享评估套件

方面

 Sureshkumar G

  • 请注意,本文内容源自机器翻译,可能存在语法或其它翻译错误,仅供参考。如需获取准确内容,请参阅链接中的英语原文或自行翻译。

    您好 Sureshkumar、  
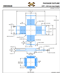
    请参阅 DS 第91页上的代码片段。  

    此致、  

    Vicente  

  • 请注意,本文内容源自机器翻译,可能存在语法或其它翻译错误,仅供参考。如需获取准确内容,请参阅链接中的英语原文或自行翻译。

    Hai Vicente,

     存在一些误解、我要求提供销钉成形细节、而不是零件尺寸详情

     请参阅以下查询以更好地理解  

     "LMX2615-SP:LMX2615-SP 寄存器的引脚形成细节、"

    方面

    Sureshkumar G

  • 请注意,本文内容源自机器翻译,可能存在语法或其它翻译错误,仅供参考。如需获取准确内容,请参阅链接中的英语原文或自行翻译。

    您好 Sureshkumar、  
    让我咨询产品工程团队。  

    此致、  

    Vicente