This thread has been locked.

If you have a related question, please click the "Ask a related question" button in the top right corner. The newly created question will be automatically linked to this question.

[参考译文] LMK00301:输出占空比不是50%

Guru**** 2387320 points
请注意,本文内容源自机器翻译,可能存在语法或其它翻译错误,仅供参考。如需获取准确内容,请参阅链接中的英语原文或自行翻译。

https://e2e.ti.com/support/clock-timing-group/clock-and-timing/f/clock-timing-forum/1057227/lmk00301-output-duty-is-not-50

器件型号:LMK00301

大家好、

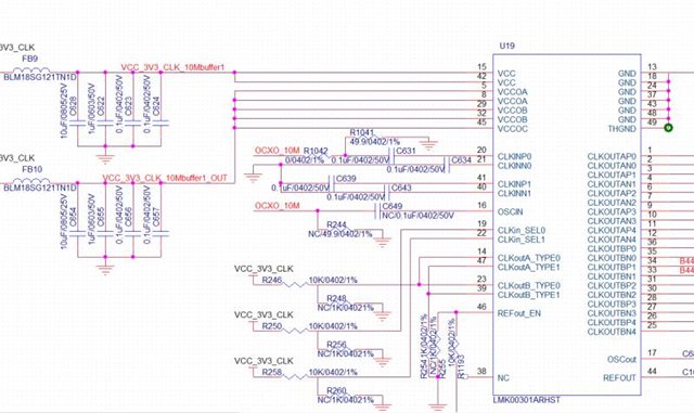
下面是 CMOS 到 LVDS 缓冲器的原理图。 CMOS 输入端接参考数据表的图26。 我们发现输入引脚占空比为50%、如下图所示、但输出 LVDS 占空比增加到50%以上。 我想知道造成这种情况的原因是什么。

谢谢。

  • 请注意,本文内容源自机器翻译,可能存在语法或其它翻译错误,仅供参考。如需获取准确内容,请参阅链接中的英语原文或自行翻译。

    您好、Jerry、

    CLKIN_SEL0/1都被拉高、这将选择 OSCin 作为输入。

    OSCin 输入路径上的 C649和 R244似乎未安装。

    这是最新的原理图吗?

    OSCout 如何连接?

    到 OSCin 的单端连接应该如下所示:

    谢谢、

    Julian