请注意,本文内容源自机器翻译,可能存在语法或其它翻译错误,仅供参考。如需获取准确内容,请参阅链接中的英语原文或自行翻译。
器件型号:LMX2595 主题中讨论的其他器件: MSP430F5529、 USB2ANY
您好、先生、
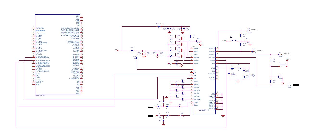
我能否获得 LMX2595EVM 随附的参考设计电路板原理图。
1) 1)我想知道 MSP430F5529中除了 用于连接从器件 LMX2595的引脚外、还有哪些具体引脚、如 MOSI、MISO、SS、CLK。
2) 2)我想知道连接到微控制器的晶体是什么、以获得时钟和相应的电容值。
3) 3)我要附上我在 OR-CAD 采集中开发的原理图。 请告诉我控制器 MSP430F5529所需的任何进一步连接。
4) 4)什么是编程器用于从 PC 转储 MSP430F5529中的代码。 我是说需要 USB 转 SPI 编程器将程序加载到 MSP430F5529控制器中。
