This thread has been locked.

If you have a related question, please click the "Ask a related question" button in the top right corner. The newly created question will be automatically linked to this question.

[参考译文] LMK00338:无输出信号、输入看起来正常

Guru**** 2380860 points
请注意,本文内容源自机器翻译,可能存在语法或其它翻译错误,仅供参考。如需获取准确内容,请参阅链接中的英语原文或自行翻译。

https://e2e.ti.com/support/clock-timing-group/clock-and-timing/f/clock-timing-forum/891972/lmk00338-no-output-signal-input-seems-good

器件型号:LMK00338

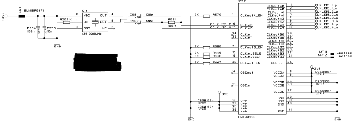
我们以非常简单的方式使用时钟分频器、输入135MHz 看起来不错、但我们没有输出信号。 有什么想法?

  • 请注意,本文内容源自机器翻译,可能存在语法或其它翻译错误,仅供参考。如需获取准确内容,请参阅链接中的英语原文或自行翻译。

    Sven、您好!

    原理图看起来正常。 您是否在输出引脚上具有连接到 GND 的50 Ω 终端?

    我建议添加去耦电容器、但您应该会看到输出。

    您是否已使用另一台设备进行了检查? 您是否在其他电路板上观察到这一点?

    此致、
    通道

  • 请注意,本文内容源自机器翻译,可能存在语法或其它翻译错误,仅供参考。如需获取准确内容,请参阅链接中的英语原文或自行翻译。

    您好!  

    感谢您的快速响应。  

    我们使用100nF 去耦电容器、但它们放置在 FPGA 输入端、因此您无法在该部分视图中看到它。  

    我在一个板上测试了3个具有相同结果的缓冲器。  

    我从 DigiKey 订购了20个新芯片和一个评估板、这需要几天时间...  

    此致  

    Sven  

  • 请注意,本文内容源自机器翻译,可能存在语法或其它翻译错误,仅供参考。如需获取准确内容,请参阅链接中的英语原文或自行翻译。

    您好、Lane、

    我们再次检查了电路板、输出上的50欧姆使其正常工作。 请注意、先放置50Ohm、然后再放置去耦电容器。

    我们认为50欧姆用于反射,但它是 HCSL 输出...

    此致、

    Sven