This thread has been locked.

If you have a related question, please click the "Ask a related question" button in the top right corner. The newly created question will be automatically linked to this question.

[参考译文] SE555:SE555

Guru**** 2390730 points
Other Parts Discussed in Thread: LMC555, TLC555
请注意,本文内容源自机器翻译,可能存在语法或其它翻译错误,仅供参考。如需获取准确内容,请参阅链接中的英语原文或自行翻译。

https://e2e.ti.com/support/clock-timing-group/clock-and-timing/f/clock-timing-forum/765010/se555-se555

器件型号:SE555
主题中讨论的其他器件:LMC555TLC555

您好!

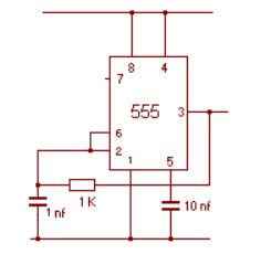
我在下面的可稳态电路中使用此部件。 我想知道不连接放电引脚会产生什么后果(如数据表中的应用手册所述、它始终保持连接)。  

提前感谢您的帮助。

此致、

Annaïs μ A

  • 请注意,本文内容源自机器翻译,可能存在语法或其它翻译错误,仅供参考。如需获取准确内容,请参阅链接中的英语原文或自行翻译。
    Annias、

    引脚7可保持断开状态。 引脚3输出不会摆动至 VCC (引脚8)电压、因此输出不会是50%、占空比将随 VCC 电压而变化。 确保在引脚8和引脚1之间添加0.1uF 旁路。

    TLC555和 LMC555计时器的占空比接近50%、但最好将电阻器增加到10k。
  • 请注意,本文内容源自机器翻译,可能存在语法或其它翻译错误,仅供参考。如需获取准确内容,请参阅链接中的英语原文或自行翻译。

    感谢您的回答 Ron。

    此致、

    Annais