This thread has been locked.

If you have a related question, please click the "Ask a related question" button in the top right corner. The newly created question will be automatically linked to this question.

[参考译文] LMX2592:LMX2592通道分频器输出错误频率

Guru**** 2524080 points


请注意,本文内容源自机器翻译,可能存在语法或其它翻译错误,仅供参考。如需获取准确内容,请参阅链接中的英语原文或自行翻译。

https://e2e.ti.com/support/clock-timing-group/clock-and-timing/f/clock-timing-forum/828741/lmx2592-lmx2592-channel-divider-output-wrong-frequency

器件型号:LMX2592

您好、TI

我基于     TICS 的设计;如下所示:FVCO=3600m;VCO 倍频器:X2;总分频器为72;Fosc=120M;理论上、RFoutA/RFoutB=100m,、但结果为112M;

所有寄存器配置均符合 TICS;

谢谢你  

  • 请注意,本文内容源自机器翻译,可能存在语法或其它翻译错误,仅供参考。如需获取准确内容,请参阅链接中的英语原文或自行翻译。

    您好!

    请仔细检查您的 Fosc 输入频率和 PLL 是否锁定

    您还可以启用 VCO 输出以旁路通道分频器以观察 VCO 频率。

    如果您可以附加.TCS 文件、这将很有帮助。

    此致、

  • 请注意,本文内容源自机器翻译,可能存在语法或其它翻译错误,仅供参考。如需获取准确内容,请参阅链接中的英语原文或自行翻译。

    大家好、

    评论:

    请勿将增益乘法器设置为2.5x。 我们建议最多使用1.5倍。  

    将 CAL_CLK_DIV 设置为" 2分频"或" 4分频"。

    要获得100MHz 输出、您无需将 VCO 频率加倍。 尝试禁用 VCO 倍压器并设置 SEG3=2。

  • 请注意,本文内容源自机器翻译,可能存在语法或其它翻译错误,仅供参考。如需获取准确内容,请参阅链接中的英语原文或自行翻译。

    您好!

    感谢你的帮助;

    根据您的建议、我们将值增益乘法器更改为1.5x、设置"CAL_CLK_DIV"除以4;

    参数为:

    Fosc=120M;

    2.FVCO=3600M;

    3. VCO 倍频器:X1;

    总分频器为36;

    5.理论上,RFoutA/RFoutB=100M,

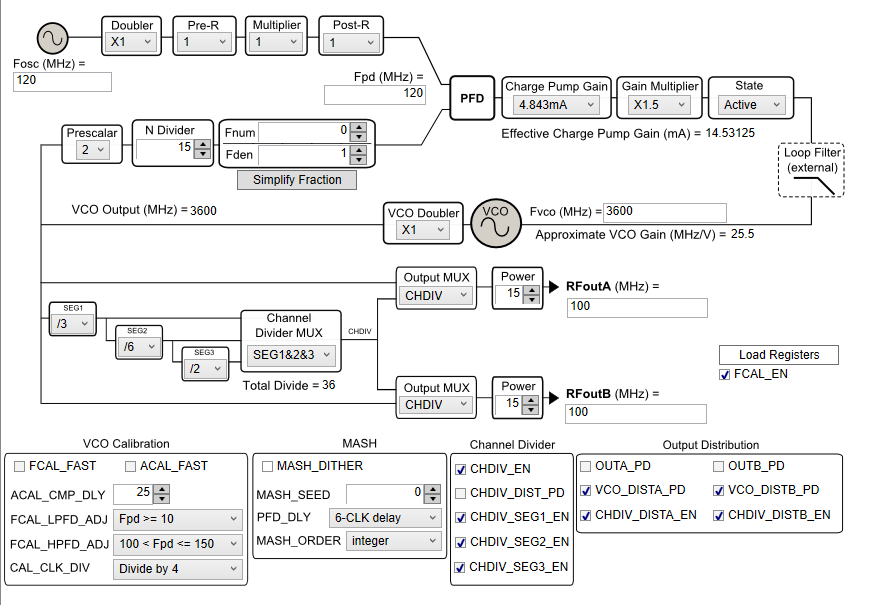
    如下图所示、所有寄存器配置均符合 TICS。

    测试后、MUXOUT=3.3V、它表示 PLL 被锁定;

    使用分光光度计验证 VCO=3600M;

    但是   、RFoutA/RFoutB=150m 由分光光度计检测到。

    请帮我解决困惑问题!

    谢谢

  • 请注意,本文内容源自机器翻译,可能存在语法或其它翻译错误,仅供参考。如需获取准确内容,请参阅链接中的英语原文或自行翻译。

    您好!

    感谢你的帮助;

    根据您的建议、我们将值增益乘法器更改为1.5x、设置"CAL_CLK_DIV"除以4;

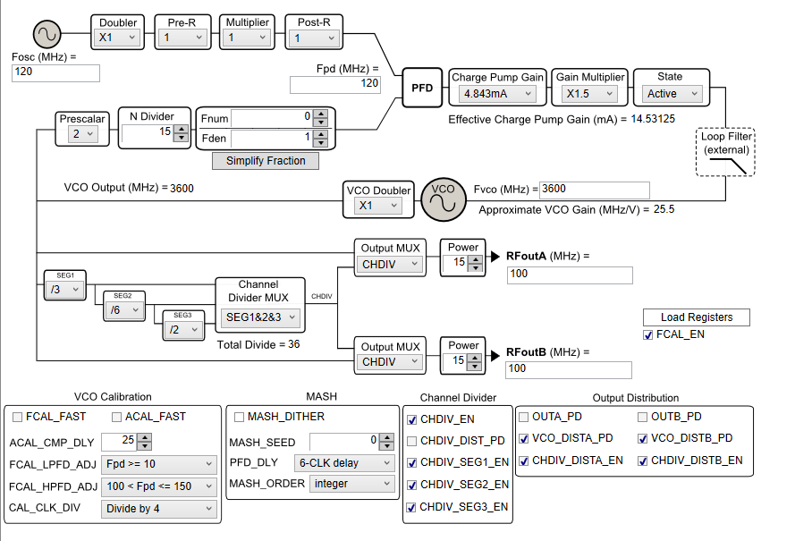
    参数为:

    Fosc=120M;

    2.FVCO=3600M;

    3. VCO 倍频器:X1;

    总分频器为36;

    5.理论上,RFoutA/RFoutB=100M,

    如下图所示、所有寄存器配置均符合 TICS。

    测试后、MUXOUT=3.3V、它表示 PLL 被锁定;

    使用分光光度计验证 VCO=3600M;

    但是   、RFoutA/RFoutB=150m 由分光光度计检测到。

    请帮我解决困惑问题!

  • 请注意,本文内容源自机器翻译,可能存在语法或其它翻译错误,仅供参考。如需获取准确内容,请参阅链接中的英语原文或自行翻译。

    大家好、

    我使用 EVM 验证了您的配置、我不会遇到问题、我可以从两个射频输出获取精确的100MHz 信号。

    建议:

    使用 TICS Pro 生成所有寄存器设置。 您可以导出文本文件中的所有寄存器值并在软件中使用。

    确保在 Vcc 首次上电后、您需要按相反的顺序对所有寄存器进行编程。 即从 R64到 R0。

    使用示波器查看信号。