This thread has been locked.

If you have a related question, please click the "Ask a related question" button in the top right corner. The newly created question will be automatically linked to this question.

[参考译文] CDCLVP1204:请帮助您检查正确的设计:

Guru**** 2511415 points
Other Parts Discussed in Thread: CDCLVP1204

请注意,本文内容源自机器翻译,可能存在语法或其它翻译错误,仅供参考。如需获取准确内容,请参阅链接中的英语原文或自行翻译。

https://e2e.ti.com/support/clock-timing-group/clock-and-timing/f/clock-timing-forum/809726/cdclvp1204-could-you-kindly-help-to-check-the-proper-design

器件型号:CDCLVP1204

降级:

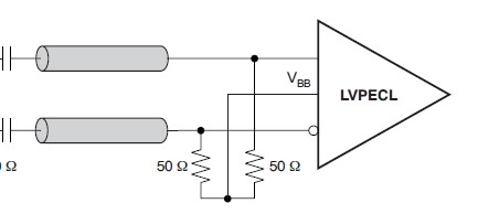
请帮助您检查正确的设计:

输入100MHz 交流耦合时钟、时钟为 LVPECL 电平。

1) 1) VCC 为3.3V

2) VBB 是 CDCLVP1204的 VAC_REF 引脚。

3) 3)连接 100欧姆、如下图所示:

  • 请注意,本文内容源自机器翻译,可能存在语法或其它翻译错误,仅供参考。如需获取准确内容,请参阅链接中的英语原文或自行翻译。

    祝你好运、

    对于连接到 CDCLVP1204的100MHz 交流耦合输入时钟、请使用(1)中所示的端接。  

    此致、
    通道