主题中讨论的其他器件: TLC555
您好!
LMC555计时器出现问题、表现不符合预期。 我在 PSpice for TI 中的仿真得出了预期的结果、但在电路板上我看到了类似的结果、但时间不同。
我的要求是在充电器上之后5秒(大约)进行硬件复位。 为此、我使用了两个555计时器:一个用于延迟~3秒、一个用于将 RESET_N 置为有效约3秒(其置为有效时间必须为2 - 3.8秒)。 我提出的电路为:

仿真10秒后、输出为:

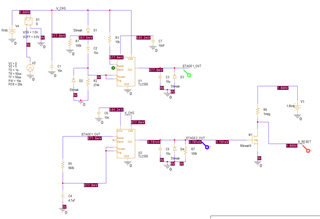
这是我所期望的。 在我的项目(KiCAD)中、我有以下原理图:

但是、当我用示波器查看信号时、可以看到以下情况:

(黄色= RESET_N、绿色= VUSB、紫色=延迟阶段输出)
我在这里看到的问题有:
- 延迟阶段应为~3秒、但实际上仅约1秒
- RESET_N 应设置为~2.9秒、但实际上只有1秒以上的位
对于仿真、我使用的是 TLC555计时器、而该电路板上有 LMC555计时器、但这些消息板显示这些部件非常相似。
我在这里做什么愚蠢的事情吗?
谢谢!
乔纳森
