请注意,本文内容源自机器翻译,可能存在语法或其它翻译错误,仅供参考。如需获取准确内容,请参阅链接中的英语原文或自行翻译。
器件型号:LMK04828 工具与软件:
尊敬的专家:
我的客户正在评估 LMK04828、遇到以下问题、请帮助确认。 谢谢。
- LMK04828的输出通常在其首先上电时锁定。 但当研发再次配置它时、PLL2会失去锁定。
此致、
Ryker
This thread has been locked.
If you have a related question, please click the "Ask a related question" button in the top right corner. The newly created question will be automatically linked to this question.
尊敬的 Connor:
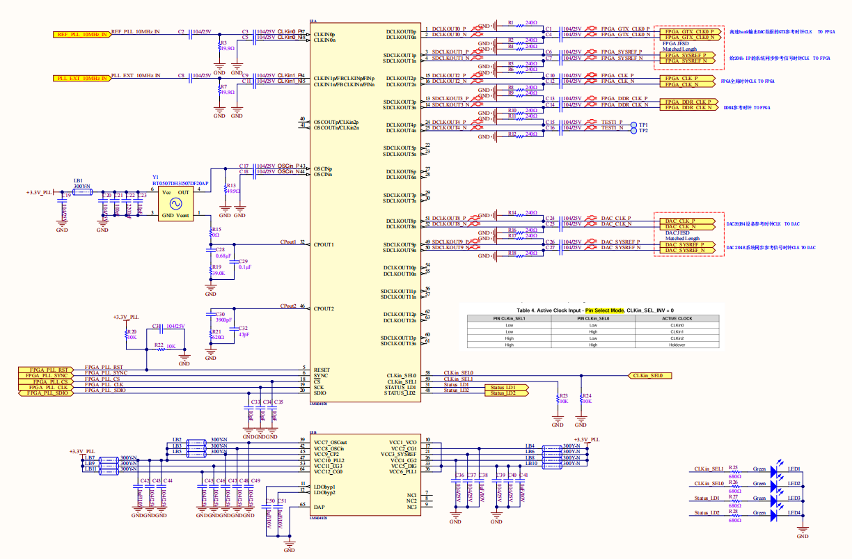
请帮助查看以下原理图和.TCS 配置文件并确认此问题。 谢谢。

e2e.ti.com/.../LMK04828_5F00_1.tcs
此致、
Ryker