您好,
我的小组为我们的模拟控制板购买了八个DAC7744EB芯片。
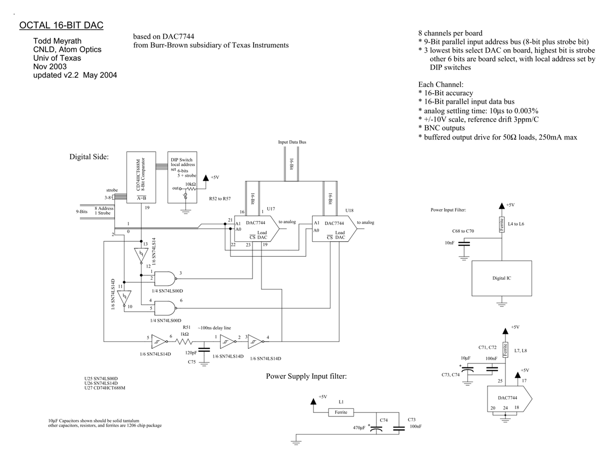
每个板安装两个DAC7744,并具有八个模拟输出通道。 每个板的电源为+/-15V和5V。
让我们将每个芯片的输出分配为通道1~4
在测试过程中,我注意到当我尝试设置通道3,4的电压时,DAC模拟输出在10V到+10V之间工作良好,0到0.5V之间的范围除外
例如,我的初始模拟输出是9V,然后我可以将输出设置为5V,2.5V,1V和0.6V,没有 任何问题,但当我将输出设置为0V至0.5V之间的任何电压时,DAC没有响应命令。 将输出设置为负值(从-0.1V到-10)后,芯片再次工作。
通道1,2没有此类问题。 但所有八个芯片都存在阈值问题。
提前感谢!
更新日期:2017年2月21日
下面是我小组使用的设计原理图。 它基于原子光学实验室非线性动力学中心和位于奥斯汀的德州大学物理系的设计。 [http://www.strontiumbec.com/]
我进行了一项精细的斜坡扫描测试,从-10V到+10V,然后返回到-10V。
结果如下:
因此,通道1和2按预期执行。 信道4的斜面形状很好,但未重置回-10伏。
通道3的斜坡形状最差。 它发出噪音,中间有0至0.5V的间隙,并且没有返回至-10V。
我使用的所有八个芯片都有相同的问题。
通道3放大结果:
软件部分应该是好的,因为通道1和2性能良好。 输出运算放大器也应该良好,因为我直接测量了DAC7744的输出,并注意到DAC的输出错误。 因此,我怀疑这应该是DAC7744芯片本身的问题。
我的小组构建了另一个控制系统,它使用相同的DAC7744但不同的批次,并且它们在所有通道上都表现良好。
这个问题确实拖了我的工作,我非常感谢您的帮助!
已更新:2017年23月02日
正如Paul所建议的,我将4个通道连接到示波器,发现了一个我没有注意到的问题。 当我扫描信道3,4时,信道1,2也会生成波形。 基于此,当地址位到达DAC芯片时确实存在一些问题。
我使用DMM测量了从我们的控制器到DAC7744芯片的电阻,发现A0和A1信号轨迹的电阻低于1欧姆。
我在这里列出了结果:
通道1:黄色;通道2:蓝色;通道3:紫色;通道4:绿色。
单通道扫描:对于通道1,2,3,4,从10V到+10V:
同时扫描两个信道,信道1和2:
同时扫描两个信道,信道3和4:
同时扫描四个信道:
使用A0和A1信号扫描通道4,而A0为黄色,A1为紫色:
我不确定A0和A1信号的测量是否完美 。
控制信号从国家仪器DAQ PCI板发送,然后使用DIP-24 ATF22V10C PLD缓冲信号。
我认为第一步是解决地址A1问题。
谢谢!














