This thread has been locked.

If you have a related question, please click the "Ask a related question" button in the top right corner. The newly created question will be automatically linked to this question.

[参考译文] ADS54J66EVM:ADC的输入阻抗

Guru**** 2502205 points
Other Parts Discussed in Thread: ADS54J66, ADS54J66EVM

请注意,本文内容源自机器翻译,可能存在语法或其它翻译错误,仅供参考。如需获取准确内容,请参阅链接中的英语原文或自行翻译。

https://e2e.ti.com/support/data-converters-group/data-converters/f/data-converters-forum/666768/ads54j66evm-input-impedance-to-adc

部件号:ADS54J66EVM
主题中讨论的其他部件:ADS54J66

您好,

我有两个问题:

1.输入阻抗匹配

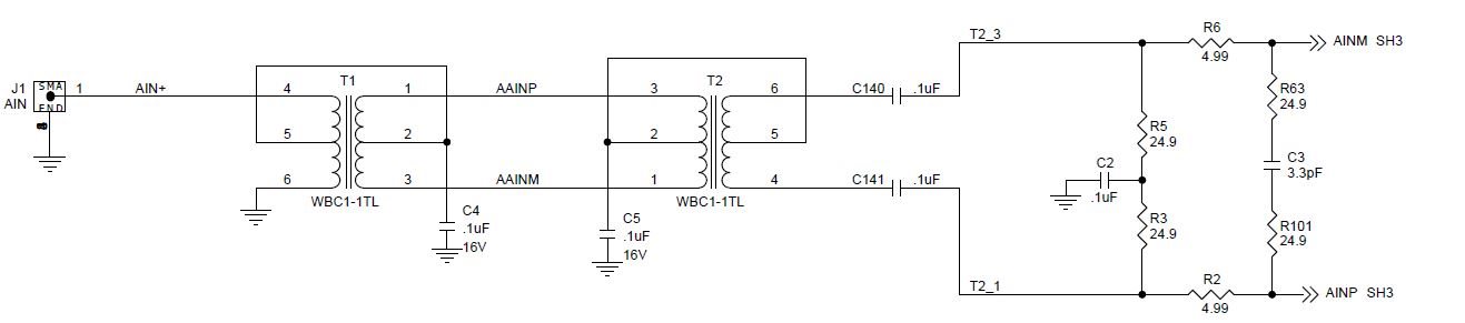
我想将右侧输入阻抗设置为ADS54J66。 首先,电路将具有差分IF带通滤波器+ Samtec的夹层连接器QFS-026-ADS-SL-D-A + 06.25 54J66。 这里我们有不同的设备阻抗。 如果BPF输出阻抗为150欧姆,Samtec的连接器可能具有~100欧姆。 另外,我发现ADS54J66EVM使用1:1平衡变压器来提供50欧姆差动器,以便为ADC供电。 那么,我们是否必须有50欧姆差动器来为ADC供电,或者它是否可以承受其它阻抗,例如100欧姆或150欧姆差动?   

在数据表部分7.3 .1 中,它表示:“由于模拟缓冲区, Ω 引脚在非常宽的频率范围内向外部驱动源提供高阻抗输入,这使得外部模拟滤波器设计具有极大的灵活性,并且为射频应用提供了出色的50 μ m匹配。"

这是否意味着ADC可以处理各种输入阻抗,而不一定是50欧姆?

2,全规模

我测量了EVM,发现可以应用+12dBm,而不是+9.5dBm (50ohm时为1.9Vpp)。 这种差异是否源于 平衡变压器和5欧姆电阻器造成的损失? 还是其他?

谢谢!

  • 请注意,本文内容源自机器翻译,可能存在语法或其它翻译错误,仅供参考。如需获取准确内容,请参阅链接中的英语原文或自行翻译。

    Youngho,

    我们正在研究这一问题。

    此致,

    Jim

  • 请注意,本文内容源自机器翻译,可能存在语法或其它翻译错误,仅供参考。如需获取准确内容,请参阅链接中的英语原文或自行翻译。

    Youngho,

    驱动源阻抗应由允许的插入损耗确定。

    源阻抗对器件性能的影响最小(因为有缓冲输入)。

    第二个问题的答案是肯定的。 要验证这一点,您可以使用差分示波器探头测量设备输入处的模拟输入。

    此致,

    Jim

  • 请注意,本文内容源自机器翻译,可能存在语法或其它翻译错误,仅供参考。如需获取准确内容,请参阅链接中的英语原文或自行翻译。
    谢谢!
  • 请注意,本文内容源自机器翻译,可能存在语法或其它翻译错误,仅供参考。如需获取准确内容,请参阅链接中的英语原文或自行翻译。

    您好,Jim:

    还有一个相关的问题。

    如上所述,我计划直接 从接头获得IF差分信号。 我相信连接器将具有100欧姆差分阻抗。 如果我将R5,R3,R63和R101更改为~50ohm以匹配100ohm差分,这样做是否可以在不降低或损失全尺度功率的情况下为ADC供电? 或者,ADC希望看到50欧姆差分的全尺度电阻,因此需要阻抗固化吗? 如果此更改正常,如果需要的不是3.3pF,您还可以推荐C3值吗?

    谢谢

  • 请注意,本文内容源自机器翻译,可能存在语法或其它翻译错误,仅供参考。如需获取准确内容,请参阅链接中的英语原文或自行翻译。

    Youngho,

    我们将输入迹线路由至T1的电阻为50欧姆,将T2的输出路由至100欧姆差分。 这是我们建议的做法。 在您提到的电阻器上添加50欧姆将导致阻抗不匹配,并会削弱输入。 选择R63,C3和R101的值可创建非常高的频率LPF。 如果客户计划使用高IF,则不应安装部件。

    此致,

    Jim