This thread has been locked.

If you have a related question, please click the "Ask a related question" button in the top right corner. The newly created question will be automatically linked to this question.

[参考译文] ADS1013:保持SDA低电平以确保正确读取地址的最佳方法

Guru**** 2507925 points
Other Parts Discussed in Thread: ADS1013

请注意,本文内容源自机器翻译,可能存在语法或其它翻译错误,仅供参考。如需获取准确内容,请参阅链接中的英语原文或自行翻译。

https://e2e.ti.com/support/data-converters-group/data-converters/f/data-converters-forum/661629/ads1013-the-best-way-to-hold-sda-low-to-ensure-the-address-is-read-correctly

部件号:ADS1013

您能否建议保持SDA低电平的最佳方法,以确保正确读取地址?

  • 请注意,本文内容源自机器翻译,可能存在语法或其它翻译错误,仅供参考。如需获取准确内容,请参阅链接中的英语原文或自行翻译。

    Robert,


    ADS1013 ADDR引脚在SCLK之后需要SDA引脚的保持时间。 对于I2C通信,此时间为0ns。 但是,由于ADDR解码的逻辑是不同的,因此我们需要额外的100ns来正确解码地址。

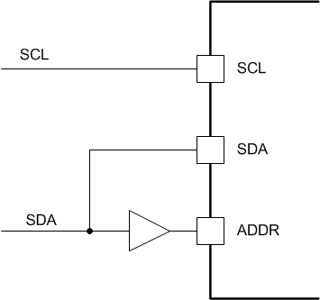
    通常,我不会使用SDA设置作为I2C地址。 但是,要启用该地址,可以插入缓冲区作为SDA和ADDR引脚之间的延迟。 它可能如下所示:

     您可能需要添加多个逆变器对才能获得100ns,但应该可以正常工作。


    吴若瑟

  • 请注意,本文内容源自机器翻译,可能存在语法或其它翻译错误,仅供参考。如需获取准确内容,请参阅链接中的英语原文或自行翻译。
    使用此解决方案,您仍需要确保SDA从低向高过渡,这可能并非总是如此。 如果SDA已经很高,我相信地址不会被正确读取,因为没有低级别的时间段,因为地址的第一位始终是1。 我们是否需要在处理部件之前编写虚拟0x00?
  • 请注意,本文内容源自机器翻译,可能存在语法或其它翻译错误,仅供参考。如需获取准确内容,请参阅链接中的英语原文或自行翻译。
    Lenio,


    您不需要在寻址零件之前编写虚拟文件。 缓冲区仅影响ADDR的解码。 SCL和SDA的输入不受缓冲区的影响,应遵循I2C协议。

    如果缓冲区也进入SDA引脚,则会增加延迟,并且您更容易违反SDA的设置时间。


    吴若瑟
  • 请注意,本文内容源自机器翻译,可能存在语法或其它翻译错误,仅供参考。如需获取准确内容,请参阅链接中的英语原文或自行翻译。

    约瑟夫

    我有一个跟进问题。 在您显示的图表中,延迟是在SDA信号和ADDR引脚之间。 然而,数据表似乎显示出一些不同的东西。 这是否只是写法,抑或须在SCL与SDA/ADDR之间拖延? (第19页,8.5 .1.1 节)

    ADS101x有一个地址引脚ADDR,用于配置器件的I2C地址。 此针脚可以是

    连接到GND,VDD,SDA或SCL,允许使用一个引脚AS选择四个不同的地址

    如表2所示。 连续采样地址引脚ADDR的状态。 使用GND,VDD和SCL

    地址优先。 如果使用SDA作为设备地址,则在SCL线之后将SDA线保持在低位至少100 ns

    低电平以确保设备在I2C通信期间正确解码地址。

    谢谢!

  • 请注意,本文内容源自机器翻译,可能存在语法或其它翻译错误,仅供参考。如需获取准确内容,请参阅链接中的英语原文或自行翻译。

    您好Lenio,

    ADS1013使用的地址在启动条件开始时锁定。  起始条件是SDA变为LOW (低),然后SCL变为LOW (低)。  SCL变低后, 地址引脚的SDA必须保持低电平,至少为100ns。  这可以通过Joseph之前所展示的逻辑来确保。  ADS1013的内部逻辑要求在 通过I2C传输发送地址进行解码之前,此延迟将地址锁定到ADS1013中。  这只是在SDA被用作寻址时的问题。

    对于大多数微控制器来说,这是一个非常罕见的问题,因为外围设备通常速度不够快,无法导致问题。  只有在使用FPGA或超快的Micro时才会出现问题,  最佳方法是使用示波器或逻辑分析器来确定用于生成启动条件的微波的时间,以查看SDA在SCL变低后的过渡速度。

    此致,

    Bob B