This thread has been locked.

If you have a related question, please click the "Ask a related question" button in the top right corner. The newly created question will be automatically linked to this question.

[参考译文] ADS1294:未看到 DVDD 或1.8V

Guru**** 2526310 points
Other Parts Discussed in Thread: ADS1294

请注意,本文内容源自机器翻译,可能存在语法或其它翻译错误,仅供参考。如需获取准确内容,请参阅链接中的英语原文或自行翻译。

https://e2e.ti.com/support/data-converters-group/data-converters/f/data-converters-forum/1049325/ads1294-dvdd-or-1-8v-is-not-seen

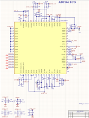
器件型号:ADS1294

您好!

是否有人可以检查我的原理图中是否存在任何问题? 我正在使用 ADS1294的4通道中的3通道。 我没有看到 DVDD 上的任何电压应为1.8V。 而为芯片提供其他电压 AVDD (+2.5V)和 AVSS (-2.5V)。 我在 VrefP 测试点看到+2.5V。 看起来我的 ADS 1294没有打开。

我发现的另一个问题是、当我尝试通过 SPI 与 ADS1294通信时、我不知道1.8V DVDD 问题。 我观察到、clk 和 MOSI 的 V peak 到 peak 为1.3V。 由于 ADS 未打开、因此没有 MOSI 输出。   

  • 请注意,本文内容源自机器翻译,可能存在语法或其它翻译错误,仅供参考。如需获取准确内容,请参阅链接中的英语原文或自行翻译。

    您好、Gaurav、

    感谢您发帖。

    我看不到原理图中可能导致 DVDD 电压故障的任何问题。 您是否会验证硬件板是否存在任何制造或焊接问题? 检查您是否在多个电路板上看到相同的问题可能会有所帮助。

    谢谢

    -TC

  • 请注意,本文内容源自机器翻译,可能存在语法或其它翻译错误,仅供参考。如需获取准确内容,请参阅链接中的英语原文或自行翻译。

    对于 MOSI 和 CLK 线路上~1.3V Vpk-pk、您有没有任何意见。 您是否认为它配置错误。 它看起来几乎是~2.5V (VDD)的一半。

    DGND 是否可以直接连接到 GND 平面、或者两者之间是否需要隔离电阻器。

  • 请注意,本文内容源自机器翻译,可能存在语法或其它翻译错误,仅供参考。如需获取准确内容,请参阅链接中的英语原文或自行翻译。

    您好、Gaurav、

    器件配置不应对 DVDD 电源产生任何影响。 我不确定您在设计中使用的是1.8V 电源、而不是 ADS1294。 您可能需要验证生成和使用1.8V 电源的其他电路。 1.8V 电源上似乎有一些负载、导致其降至1.3V。

    您可以将 DGND 直接连接到 GND 平面。

    谢谢

    -TC