所有、
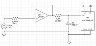
我使用参考器件对~50电流/电压监控器进行采样。 对于前三个 ADC128S102通道中的每一个通道、该电路都是一个16线对1多路复用器、而其他5个通道则直接连接到频率更高的采样信号。 单通道(CH0)的基本电路如下所示。 R_MUX 仅代表外部多路复用器的最大导通电阻、 并且在单位缓冲运算放大器级之后有一个低通滤波器。 此电路为 CH1和 CH2复制、而 CH3-CH7仅具有低通滤波器、无需外部多路复用器或单位增益运算放大器级。

我使用的是8.25MHz SCLK、每次切换外部多路复用器的寻址以允许时间稳定至1LSB 时、我都在等待~310us、并且我实际上不会在对不同的 ADC128S102通道进行采样之间等待任何时间。 我正在通过5个"快速"通道(CH3-CH7)执行连续循环、而无需外部多路复用器、并且在"慢速"通道(CH0-CH2)所需的稳定时间结束时、偶尔会对其采样。 这一切正常、除了与在 ADC 输入端测量的值相比、所有读取值都在0.1%至3%的范围内。 它们非常一致、但它们的平均值只是偏移。 我找不到此错误的原因、需要帮助!
各种采样信号接近直流、基准电压处于0.01%以内(精密基准经过运算放大器级以提供额外的驱动电流)。 我计划测试以下内容:重复读取给定的 ADC 通道、并可能在第一个 SCLK 周期和第二个 SCLK 周期之间插入额外的延迟(以强制增加跟踪时间)。 我是否可以查看/调查其他事项以尝试找出根本原因? 我已经进行了一个基本的 SPICE 仿真、我看不出误差来自哪里(即使是电容的最大值、仿真中的保持电压也最多会关断0.1%!)。
谢谢、
Steve