This thread has been locked.

If you have a related question, please click the "Ask a related question" button in the top right corner. The newly created question will be automatically linked to this question.

[参考译文] ADC3444:寄存器0x25 LVDS Swing

Guru**** 2523250 points
Other Parts Discussed in Thread: CDCLVP1102, ADC3444, LMH2832, LMZ12003

请注意,本文内容源自机器翻译,可能存在语法或其它翻译错误,仅供参考。如需获取准确内容,请参阅链接中的英语原文或自行翻译。

https://e2e.ti.com/support/data-converters-group/data-converters/f/data-converters-forum/970345/adc3444-register-0x25-lvds-swing

器件型号:ADC3444
主题中讨论的其他器件:CDCLVP1102LMH2832LMZ12003

LVDS 摆幅的寄存器映射是什么? 数据表未提供任何信息。 由于数字信号、我有一些杂散、我尝试了全部256个值。 我找到了一个设置、其中杂散减少了、但现在数据传输有时会出错。 我需要有关高级优化的说明。

  • 请注意,本文内容源自机器翻译,可能存在语法或其它翻译错误,仅供参考。如需获取准确内容,请参阅链接中的英语原文或自行翻译。

    您好、Volker、

    我将深入了解 LVDS 输出摆幅寄存器的详细信息、稍后将与您联系。

    您是否使用了数字测试模式(斜坡和其他模式、请参阅数据表第63页)来验证 FPGA 中的数字接口?

    此致、

    Dan

  • 请注意,本文内容源自机器翻译,可能存在语法或其它翻译错误,仅供参考。如需获取准确内容,请参阅链接中的英语原文或自行翻译。

    Dan、您好!

    感谢您、我已经检查了模式的正确传输。 它适用于正常设置。 也许在摆幅较低的情况下、必须优化 FPGA 中 PLL 的相位。 该电路板包含两个 ADC3444、输入时钟由 CDCLVP1102分配、ADC 前面有一些 LMH2832 (除混频器、LNA 和滤波器之外)。 也许会发生一些耦合到电源的情况、我也使用了单独的 LDO 和铁氧体磁珠。 失真主要在第一个 ADC 上、芯片的其他 ADC (2-4)可以。

  • 请注意,本文内容源自机器翻译,可能存在语法或其它翻译错误,仅供参考。如需获取准确内容,请参阅链接中的英语原文或自行翻译。

    您好、Volker、

    这种失真是在两个 ADC3444s 的通道1 (CHA)上发生、还是仅在两个 ADC3444s 中的一个上发生(意味着总共8个 ADC 通道中的7个不失真)?

    如果 ADC3444的 CHA (一个有失真)上的测试模式通过 OK、则这可能是模拟问题、如您所述。

    正在看到的失真/杂散的性质是什么? 它们是否是模拟输入频率的谐波杂散? 未应用模拟输入时是否存在杂散? 您是否正在执行 FFT 来查看杂散? 您是否能够探测此模拟输入以验证 ADC 引脚上是否存在杂散?

    请分享杂散图像和 ADC/信号链原理图。

    此致、

    Dan

  • 请注意,本文内容源自机器翻译,可能存在语法或其它翻译错误,仅供参考。如需获取准确内容,请参阅链接中的英语原文或自行翻译。

    Dan、您好!

    是的、8个中的7个是可以的、有时会出现峰值、但不会像下图(32K FFT)那样出现在电网中。 第二个图显示了第二个通道。

    最低的数字是 LVDS 摆幅设置为252的通道1。 峰值略有下降。 这只是完全放大的噪声、噪声被带通击穿。

    数字信号可能会造成一些失真、也可能是电源转换器的开关频率、但所有器件始终都有一个额外的 LDO。

    原理图非常大、我不想发布、但也许您有一个想法。

  • 请注意,本文内容源自机器翻译,可能存在语法或其它翻译错误,仅供参考。如需获取准确内容,请参阅链接中的英语原文或自行翻译。

    您好、Volker、

    很难说出仅在 ADC 的一个通道上导致该噪声的确切原因。 您是否使用 ADC 的 VCM 输出来设置放大器的共模? 噪声通道的模拟输入引脚上的共模电压是否正确?

    您能否尝试使用一个有噪声的通道将 ADC 上的三个正常通道断电、并查看这是否会影响杂散? 您能否确保在对 ADC 进行编程之前执行硬件复位?

    此致、

    Dan

  • 请注意,本文内容源自机器翻译,可能存在语法或其它翻译错误,仅供参考。如需获取准确内容,请参阅链接中的英语原文或自行翻译。

    Dan、您好!

    我最好为其他转换器断电、在开始时执行复位。 可能与未终止的帧时钟存在关系。 我将在电路板上焊接一个电阻器。 由于 HSMC 连接器上的引脚数量有限、我无法将第二个帧时钟连接到 FPGA。

    您能找到该摆幅的寄存器说明吗?

    感谢您、到目前为止、这是一个复杂的搜索。

  • 请注意,本文内容源自机器翻译,可能存在语法或其它翻译错误,仅供参考。如需获取准确内容,请参阅链接中的英语原文或自行翻译。

    您好、Volker、

    该寄存器的详细信息实际上位于 ADC324x 数据表的第63页(将在 ADC344x 数据表中进行更新)。 从表中可以看到、写入默认值(0x00)以外的值将减小 LVDS 输出摆幅。

    希望这会有所帮助。

    此致、

    Dan

  • 请注意,本文内容源自机器翻译,可能存在语法或其它翻译错误,仅供参考。如需获取准确内容,请参阅链接中的英语原文或自行翻译。

    感谢您的支持、我将继续进行调试。

  • 请注意,本文内容源自机器翻译,可能存在语法或其它翻译错误,仅供参考。如需获取准确内容,请参阅链接中的英语原文或自行翻译。

    您好、Volker、

    是否可以断开模拟前端(混频器、LNA 等)并仅测量 ADC FFT 性能?

    我会尝试此测试、并确保噪声不来自连接到 ADC 模拟输入的上述组件。

    将 ADC 模拟输入端接至交流耦合接地端、测量输出频谱、并让我们知道您的发现。

    此致、

    Rob

  • 请注意,本文内容源自机器翻译,可能存在语法或其它翻译错误,仅供参考。如需获取准确内容,请参阅链接中的英语原文或自行翻译。

    尊敬的 Rob:

    感谢您的进一步关注。

    接收路径中有多个测试点。 在对耦合电容器进行去焊后、可以通过引脚接头将具有平衡-非平衡变压器的小型 PCB 连接到正常路径。 这允许在小型平衡-非平衡变压器板上连接信号发生器。

    遗憾的是、我被其他一些工作打断、因此无法立即执行进一步的测试。

    在断开与 A/D 转换器的连接后、我已经在频谱分析仪上的可变增益放大器的输出端看到了一些尖峰、但无法识别周期性峰值的来源。

    多个组件的附加旁路电容器、用于混频器偏置或用新组件替代 VGA 的其他电感器没有帮助。 如果我有消息、我将发布它。

    此致、

    Volker

  • 请注意,本文内容源自机器翻译,可能存在语法或其它翻译错误,仅供参考。如需获取准确内容,请参阅链接中的英语原文或自行翻译。

    您好、Volker、

    您看到的"尖峰"来自 ADC 的模拟输入、假设您在仍连接到 ADC 的 VGA 上进行探测。 对吧?

    如果是、则这些尖峰是 ADC 的采样开关电荷注入、可以在模拟前端看到。

    如果你做平衡-非平衡变压器实验,你也会看到它。。

    顺便说一下、进行平衡-非平衡变压器实验是一个好主意、要查看上面 FFT 频谱图中的前端噪声是否再次来自 VGA/前端。

    否则、完全断开模拟前端信号链也会显示此情况。

    此致、

    Rob

  • 请注意,本文内容源自机器翻译,可能存在语法或其它翻译错误,仅供参考。如需获取准确内容,请参阅链接中的英语原文或自行翻译。

    Rob、您好!

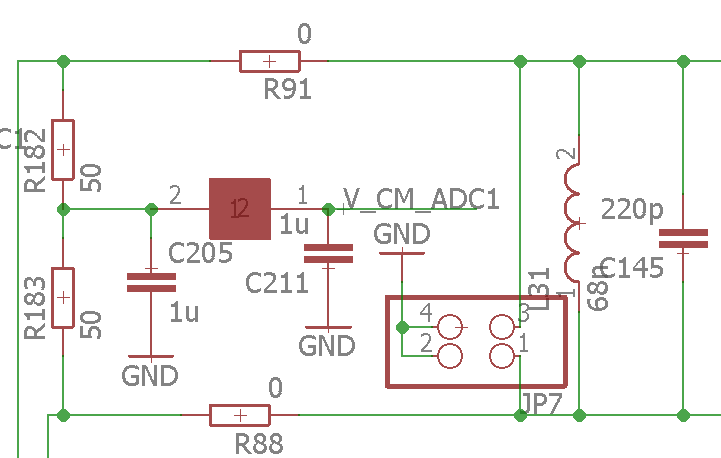
    我认为我已经发现了这个问题:这可能是电源稳压器的开关频率、SIMPLE SWITCHER LMZ12003、它靠近 ADC 输入前面的 IF 滤波器的一些线圈。 如果我在开关稳压器上为电缆固定铁氧体磁珠、则峰值消失。 如果我在稳压器上放置一个手指、峰值会增大。 到其它滤波器和接收通道的距离较大、这说明了这种行为。

    在发现这一点之前、我已经在 ADC 输入级将铁氧体磁珠替换为0欧姆电阻。 我没有发现任何差异、 在评估板的原理图中还有一个0欧姆电阻器和两个0.1 μ F 旁路电容器、下面是我的输入级原理图。

    您能告诉我、您是否对最佳配置进行过任何调查?

    此致、

    V. Winkler