您好!
由于未知原因、当我尝试通过 SPI ADS114S08读取温度时、只返回0。 而读取任何外部模拟输入都没有问题。 所有寄存器的读写操作正常、表示 SPI 通信正常。 器件设置为单次转换模式、转换通过 START 引脚启动、然后等待 DRDY 处于低电平、这在预期时间内发生-与连接外部 AINx 时的情况相同。 这意味着会发生转换。 此外、还尝试通过更改 SYS reg 值来测量电源轨-这也是不幸运的。 我怀疑内部互连有问题吗?
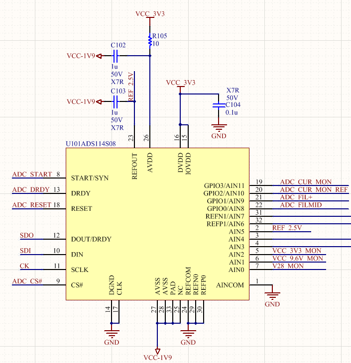
是否有人可以确认实际器件上的温度真的可读? 或者我的电路中有什么问题? 或寄存器出现问题? 下面是连接的连接以及转换结束后从真实生活部分转储的寄存器。


