This thread has been locked.

If you have a related question, please click the "Ask a related question" button in the top right corner. The newly created question will be automatically linked to this question.

[参考译文] ADS1235:使用惯性 VCOM 时出现问题

Guru**** 2398695 points
Other Parts Discussed in Thread: ADS1235, ADS1278

请注意,本文内容源自机器翻译,可能存在语法或其它翻译错误,仅供参考。如需获取准确内容,请参阅链接中的英语原文或自行翻译。

https://e2e.ti.com/support/data-converters-group/data-converters/f/data-converters-forum/889526/ads1235-problems-when-using-th-einernal-vcom

器件型号:ADS1235
主题中讨论的其他器件:ADS1261

你(们)好

首先、我将介绍我们使用的 AD1235配置。 我们在 REFP0/REFN0上有一个外部+2.5V 基准、并且还将这个+2.5V 连接到 AIN0、作为单端测量的基准输入。
我们应用的输入电压范围(单端)为0.35。 4.7V、我们使用增益为1的内部 PGA。
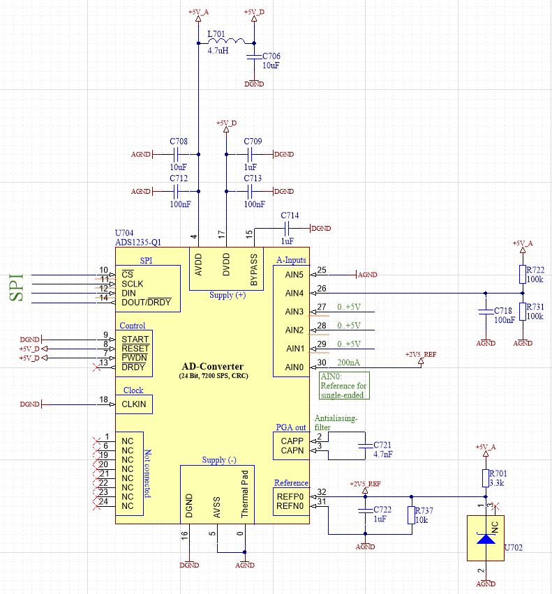
下面是简化的原理图:

现在、我的问题是:
我们使用内部 VCOM 的所有测量似乎都是错误的(例如"VCOM-AIN0"或"VCOM-AIN5")。 所有其他测量结果均符合预期。
内部电压 VCOM 被定义为"(AVDD+AVSS)/2"、因此在我们的应用中、VCOM =+2.5V。
使用内部 VCOM 时是否需要特别考虑?
(例如、如果我们测量"VCOM-AIN0"、我们预计转换结果为0V (两个 PGA 输入上+2.5V =>差分0V)、但实际上我们得到的结果远低于0V)

以下是我们用于测量的寄存器设置:

此致
Oliver

  • 请注意,本文内容源自机器翻译,可能存在语法或其它翻译错误,仅供参考。如需获取准确内容,请参阅链接中的英语原文或自行翻译。

    下面是简化的原理图:

    以下是我们用于测量的寄存器设置:

  • 请注意,本文内容源自机器翻译,可能存在语法或其它翻译错误,仅供参考。如需获取准确内容,请参阅链接中的英语原文或自行翻译。

    您好、Oliver、

    您是否已使用 DMM 测量+2.5V 基准电压以进行完整性检查、以查看它是否提供预期电压?

    如果外部基准相对于 AVSS 进行偏置、正如原理图中所示、那么 AIN0-VCOM 应导致接近零的差分电压测量。 注意:VCOM 由电阻分压器在内部生成、因此不是精密电压基准。

    关于原理图、我看不到 AGND 和 DGND 之间的连接位置。 这些电势应相同并连接在一起、以便器件按预期工作。   有关更多详细信息、请参阅 e2e.ti.com/.../2790926。

    此外、我会谨慎地在任何 IC 的电源引脚上使用电感器、尤其是具有快速瞬态电流的数字器件。 对于一种情况、电感器可能会在瞬态电流下在电源上产生较大的电压尖峰、此外、由于 L+C 组合可能会谐振并导致意外的电路行为。

  • 请注意,本文内容源自机器翻译,可能存在语法或其它翻译错误,仅供参考。如需获取准确内容,请参阅链接中的英语原文或自行翻译。

    另一个快速评论... 对我来说、INPMUX 寄存器的寄存器设置没有太大意义。 要测量 AIN4 - AIN0 (例如)、您需要将 INPMUX 编程为0x51 (或将0x15编程为测量 AIN0 - AIN4)。 检查以确保输入 MUX 针对您的每种配置进行了正确编程。

    更正:请忽略我的最后一条评论、我在查看您的寄存器设置时参考了 ADS1278的寄存器值。 对于 ADS1235、这些值看起来是正确的。

  • 请注意,本文内容源自机器翻译,可能存在语法或其它翻译错误,仅供参考。如需获取准确内容,请参阅链接中的英语原文或自行翻译。

    您好 Chris

    感谢您的回复和评论。 当然、我们将 AGND 和 DGND 直接连接在一起(在一个点上)、我忘了在我的简化版原理图中展示它。
    根据所用电源电感器的说明、我们仅将其用于滤波模拟电源电压。 数字电源电压在电感器之前。 简化了我们的电源路径、如下所示:

    我们仍然有同样的问题、在使用内部 Vcom 电压时获得错误的测量结果。
    在我们采用+5V 至 GND 电源的应用中、内部 Vcom 始终(精确地说或多或少)+2.5V、对吧?

    我们使用内部和外部基准电压以及使用和不使用 PGA 进行了一些测试。
    从软件方面、我们执行以下序列(无内部 ADC 校准):
        1) 1)设置所有寄存器
        2) 2)开始转换
        3)读取转换数据
    下面是一些测量结果、黄色标记对我们来说是没有意义的、绿色标记是好的。

    此致
    Oliver

  • 请注意,本文内容源自机器翻译,可能存在语法或其它翻译错误,仅供参考。如需获取准确内容,请参阅链接中的英语原文或自行翻译。

    您好、Oliver、

    我强烈建议移除 AVDD 和 DVDD 之间的电感、正如 Chris 在前面的一篇文章中提到的那样。  我们在各种 ADC 上看到的是、增加的电感(甚至铁氧体)会在内部基准通电的情况下抑制 ADC 所需的电流、并从低功耗或断电状态为模拟组件供电。  如果您需要或需要一些额外的滤波、我建议您改用较小的电阻值来创建低通 RC 滤波器。

    我同意您看到的情况不常见、我实际上更喜欢看到原始代码而不是计算代码。  对于5V 基准、您不应看到与2.5V 基准相同的电压。  您是否已通过执行一系列连续转换而不是单次转换测量来检查是否发生了一些模拟趋稳?

    VCOM 很可能需要一些时间来建立恒定电压。  由于模拟电源上的扼流电流、也很有可能在器件内部发生一些奇怪的异常。

    此致、

    Bob B