This thread has been locked.

If you have a related question, please click the "Ask a related question" button in the top right corner. The newly created question will be automatically linked to this question.

[参考译文] VSP5610:VSP5640问题

Guru**** 2553260 points


请注意,本文内容源自机器翻译,可能存在语法或其它翻译错误,仅供参考。如需获取准确内容,请参阅链接中的英语原文或自行翻译。

https://e2e.ti.com/support/data-converters-group/data-converters/f/data-converters-forum/912609/vsp5610-vsp5640-issue

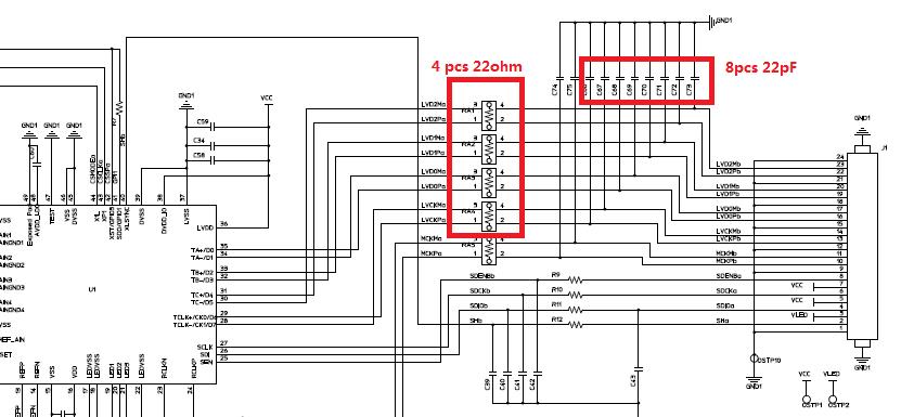
器件型号:VSP5610

您好、先生、

使用 VSP5640、LVDS o/p 的客户将放置4*22欧姆和8*22pF、然后将1m 电缆延伸到另一侧 SOC、SOC 内部具有100欧姆电阻器。  

如果需要修改或删除22欧姆或22pF、您是否会提出建议?

谢谢、Ian。

  • 请注意,本文内容源自机器翻译,可能存在语法或其它翻译错误,仅供参考。如需获取准确内容,请参阅链接中的英语原文或自行翻译。

    您好 Ian、

    我们希望将此对话脱机、我已向您发送了一封电子邮件。