This thread has been locked.

If you have a related question, please click the "Ask a related question" button in the top right corner. The newly created question will be automatically linked to this question.

[参考译文] ADS8685:最新的转换结果是什么?

Guru**** 2531950 points
Other Parts Discussed in Thread: ADS8685

请注意,本文内容源自机器翻译,可能存在语法或其它翻译错误,仅供参考。如需获取准确内容,请参阅链接中的英语原文或自行翻译。

https://e2e.ti.com/support/data-converters-group/data-converters/f/data-converters-forum/948043/ads8685-what-is-latest-conversion-result

器件型号:ADS8685

您好!

三个 ADS8685-s 通过菊花链连接到 FPGA (MAX10)。
FPGA 通过 SPI (而非 multi-SPI)与转换器进行通信。 FPGA 是 SPI 主设备。

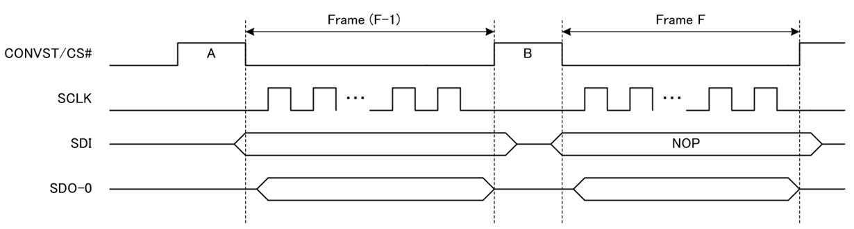
根据以下内容:数据表(ads8685.pdf、revC) p44第7.5.3节、该规范描述了转换器通过 NOP 命令输出最新的转换结果。

问题1:在帧 F 中发送 NOP 时、哪是"最新的"、是 A 或 B 的结果?

问题2:当在帧(F-1)中读取命令、然后在帧 F 中读取 NOP 时、帧 F 中的输出是什么?

此致、

Takuya

  • 请注意,本文内容源自机器翻译,可能存在语法或其它翻译错误,仅供参考。如需获取准确内容,请参阅链接中的英语原文或自行翻译。

    你好、 Takuya、

    1.我想您询问的是 F 帧中 SDO 上的数据。 答案是、这取决于您的控制器在(F-1)帧中向 ADC 发送的命令。  

    •   如果 (F-1)中的 ADC 获得了有效值、请参阅下面的问题2的答案。
    •   如果在帧(F-1)中发出除有效读取命令之外的所有其他组合、 帧 F 中的输出数据将是以"B"转换的最新转换数据。 请记住、/CS 芯片选择信号也是转换开始信号、它将在每个 CONVST/CS 信号的上升沿启动转换。   

    您突出显示的内容将介绍帧 F 中的所有其他组合以及帧(F+1)中的输出数据字。 当 NOP 命令在同一帧 F 中发送时、您询问帧 F 中的输出数据  

    如果在帧(F-1)中发出有效的读取命令、帧 F 中的输出数据将包含16位或8位寄存器数据、后跟0。  

    此致、

    戴尔  

  • 请注意,本文内容源自机器翻译,可能存在语法或其它翻译错误,仅供参考。如需获取准确内容,请参阅链接中的英语原文或自行翻译。

    您好、Dale

    感谢你的答复。

    总结:

    • 如果在帧中发出有效的读取命令(F-1)、则输出数据包含帧 F 中的一些寄存器数据。(不是转换结果)
    • 如果除了在帧(F-1)中发出的有效读取命令之外还有任何命令、则输出数据是帧 F 中的最新转换数据
      • "最新"的转换数据是帧(F-1)和 F 之间 CONVST/CS 信号的结果


    对此,

    Takuya