您好!
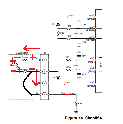
我将在较长的引线长度上测试一些 RTD。 我使用 SBAA275文档第20页第2.5.1节中的原理图来连接 RTD。 由于我使用 的是 ADS124S08EVM 电路板、因此输入会发生变化。 我使用连接器 J7连接 RTD。 以下是寄存器设置。
我最初连接了一个100欧姆的电阻器。 在靠近 J7的位置(3英寸)读取它可以提供精确的测量结果。 当我将电阻器放置在100英尺双绞线的末端时、我希望芯片计算出电路和100欧姆电阻器之间导线的电阻。 它不这么做。 将导联线电阻添加到计算中。 我是否做了一些错误或我是否误解了器件的工作方式?
我使用以下公式计算电阻:
RRTD = RREF•输出代码/(22^3•增益)
我没有更换过 EVM 板上的任何组件。 我也没有更改任何跳线位置。 它们处于与盒子中相同的位置。


