This thread has been locked.

If you have a related question, please click the "Ask a related question" button in the top right corner. The newly created question will be automatically linked to this question.

[参考译文] DDC114:DDC114 EVM 问题

Guru**** 2510095 points
Other Parts Discussed in Thread: DDC114

请注意,本文内容源自机器翻译,可能存在语法或其它翻译错误,仅供参考。如需获取准确内容,请参阅链接中的英语原文或自行翻译。

https://e2e.ti.com/support/data-converters-group/data-converters/f/data-converters-forum/791615/ddc114-ddc114-evm-question

器件型号:DDC114

你好,先生。

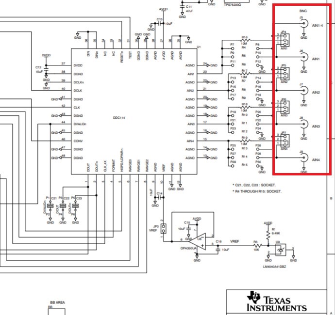
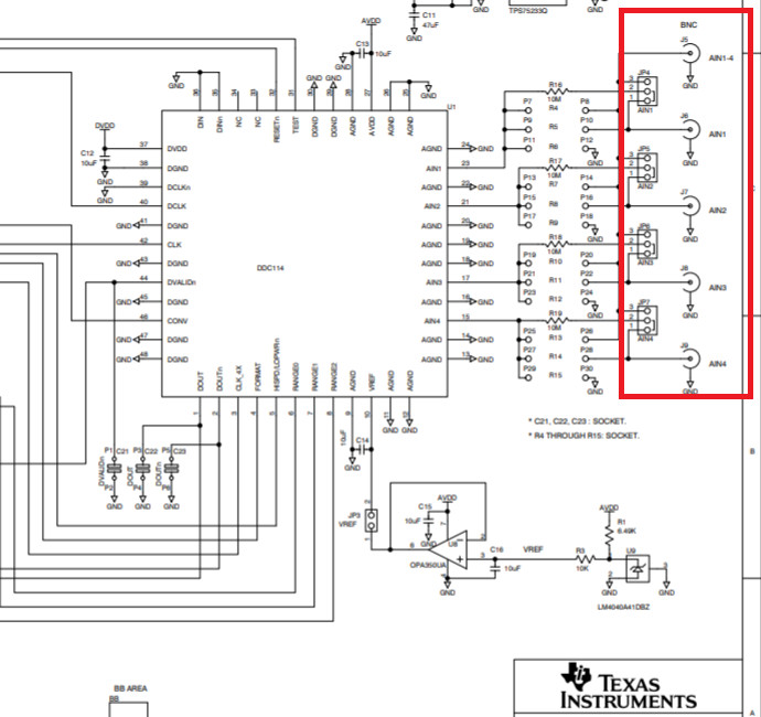
我是否知道可以直接测量和验证 EVM 板 BNC 连接器的源。 感谢帮助~

  • 请注意,本文内容源自机器翻译,可能存在语法或其它翻译错误,仅供参考。如需获取准确内容,请参阅链接中的英语原文或自行翻译。
    你好、AJ、
    你过得怎么样?
    感谢您使用 DDC114器件。
    抱歉、您能告诉我们有关 BNC 连接器的更多详细信息吗?
    因此、我可以将您的问题转发给我们的工程师。

    谢谢!

    此致、
  • 请注意,本文内容源自机器翻译,可能存在语法或其它翻译错误,仅供参考。如需获取准确内容,请参阅链接中的英语原文或自行翻译。

    尊敬的 Chen。

    你好。

    我们需要知道您使用什么仪器将 BNC 输出连接到 EVM 的 BNC 连接器。 感谢您的帮助~

  • 请注意,本文内容源自机器翻译,可能存在语法或其它翻译错误,仅供参考。如需获取准确内容,请参阅链接中的英语原文或自行翻译。
    你好、AJ、
    你过得怎么样?
    根据当前的 DDC114EVM 硬件设置、包括跳线、
    1) 1)在正常模式下运行、我们使用 BNC 电缆连接一个外部低噪声电压源
    DDC114EVM 的输入 AINCOM J5 BNC 连接器。
    2) 2)以测试模式运行、则无需任何外部电压源。

    谢谢!

    此致、