This thread has been locked.

If you have a related question, please click the "Ask a related question" button in the top right corner. The newly created question will be automatically linked to this question.

[参考译文] TLV2553:CAN#39;t 可获得精确的电压读数

Guru**** 2513185 points
Other Parts Discussed in Thread: TLV2553, ADS8339

请注意,本文内容源自机器翻译,可能存在语法或其它翻译错误,仅供参考。如需获取准确内容,请参阅链接中的英语原文或自行翻译。

https://e2e.ti.com/support/data-converters-group/data-converters/f/data-converters-forum/860478/tlv2553-can-t-get-accurate-voltage-reads

器件型号:TLV2553
主题中讨论的其他器件: ADS8339

您好!

使用 TLV2553多通道 ADC。  我似乎无法从它获得精确的电压测量值。

该器件具有命令代码、提示返回等于施加到器件的基准电压的读取值。  请参阅数据表23表表2中的命令1011。 此命令会按预期成功返回等于4.096V 基准电压 I 正在使用的值。

但是、任何模拟通道的标准读取命令都不会返回等于模拟输入端实际电压的数字。  我无法确定为何无法返回有效的测量值。   

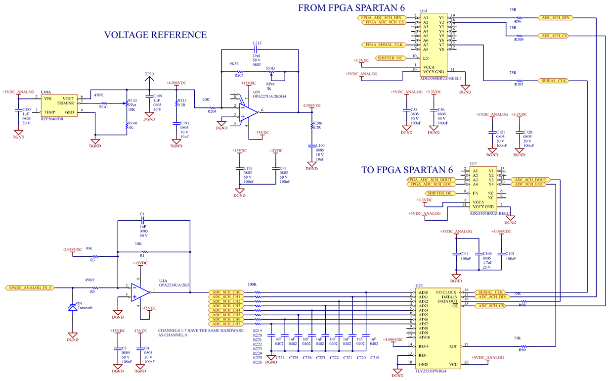
我的原理图如下。  任何见解都值得赞赏。

  • 请注意,本文内容源自机器翻译,可能存在语法或其它翻译错误,仅供参考。如需获取准确内容,请参阅链接中的英语原文或自行翻译。

    您好 Brian、

    您能告诉我们什么是 AIN、而不是接收到的数字代码吗?  AIN0通道是否按预期工作?  您是否在所有其他通道上都有缓冲器?

  • 请注意,本文内容源自机器翻译,可能存在语法或其它翻译错误,仅供参考。如需获取准确内容,请参阅链接中的英语原文或自行翻译。

    通道0至6的电压均介于2.050和2.055V 之间、对应的 ADC_8CH_CHX 端口如原理图所示。  我在每个通道上获取的实际数字代码差异很大。  我得到一个无符号十进制值、该值在通道0上的计数低至316、在通道5上的计数高至930。  我预计将收到大约2050个计数。

    -AIN0的运行方式不符合预期。  通道0至7均未按预期工作。  

    通道1-6各自连接了另一个反相求和 OPA 运算放大器、就像通道0一样。  我认为、当 您询问我是否在所有其他通道上都有缓冲器时、这就是您的意思。  为简单起见、我仅显示了通道0。  

    通道7当前没有像其他通道那样连接反相求和 OPA 运算放大器。  原理图中 ADC_8CH_CH7端口标签上的电压为-4.377、这看起来也很奇怪。  

    通道8、9和10未连接、如原理图所示。

    谢谢、

    Brian

  • 请注意,本文内容源自机器翻译,可能存在语法或其它翻译错误,仅供参考。如需获取准确内容,请参阅链接中的英语原文或自行翻译。

    您好 Brian、

    感谢您添加的详细信息!  您能否(使用示波器)探测模拟输入、并让我们知道 ADC 对通道进行采样时是否有明显的抖动?  您可能需要更快的运算放大器来驱动输入。  考虑 到 TLV2553的采集时间、OPA2234稍微偏慢。  请观看我们有关驱动 SAR 转换器的 SAR ADC 视频系列、这可能会有所帮助。  模拟工程师计算器工具可根据您所使用的特定 ADC 的采样时间和输入电容为您提供放大器带宽详细信息。  TLV2553具有相对较大的采样电容(~45pF)、如果使用100 Ω 电阻器、则需要~600nS 的采集时间。  需要具有~6MHz GBW 的放大器才能使输入完全稳定。

  • 请注意,本文内容源自机器翻译,可能存在语法或其它翻译错误,仅供参考。如需获取准确内容,请参阅链接中的英语原文或自行翻译。

    您好、Tom、

    作为测试、我使用直接连接到 ADC_8CH_CH0并设置为2.048V 的台式电源替换了 OPA2234。  这应提供坚如磐石的电压输入。  但是、采集的样本仍然没有接近正确的地方(350次计数而不是2048次计数)。

    下面显示了2个示波器布线。  第一个是 ADC_8CH_CH0处的电压。  这现在是工作台电源的输出。  正如我说过的、OPA 输出现在已断开。  绿色迹线是该点的电压、黄色迹线是 CS 输入引脚。  您可以看到电压输入是稳定的。  

    现在观察第二条迹线。  现在、绿色迹线位于100R/1nF 电容器结处。  通道0读取周期上存在较大的压降。  ADC 本身似乎会产生这种情况?  为什么会发生这种情况?

    此外、我和这里的一些模拟工程师非常难以理解运算放大器的 GB 产品如何影响采样结果。  

    首先、OPA2234输出处于直流电平、没有需要稳定的阶跃输入。  

    采样期间 ADC 的输入阻抗是多少?在此期间运算放大器所需的输出阻抗是多少?  运算放大器的输出是否会被下拉?  TLV 内部的每个输入端是否都有缓冲器?  

    现在、我想、数据表应用电路中建议使用1nF 电容器、在运算放大器输出端具有如此大的电容非常奇怪。  无论稳定时间如何、都应该足够多地保持运算放大器输出。  

    当然、这一点都不是真正相关的、因为它也不适用于提供输入电压的工作台电源。  在数据表第27页上、Rsource 电阻器之前的预期/预期源是什么?

    Brian

  • 请注意,本文内容源自机器翻译,可能存在语法或其它翻译错误,仅供参考。如需获取准确内容,请参阅链接中的英语原文或自行翻译。

    您好 Brian!

    感谢您的示波器捕获、非常有趣!  如果可以将您的 I/O 时钟和 EOC 信号包含在第二次捕获中、我也有兴趣查看这些信号。  对于大多数 SAR 型转换器、输入本质上是多路复用器的 Rdson 和采样/保持电容器。  当通道启用时、您可以获得反冲/电荷注入、而您的驱动放大器必须能够在 ADC 的采集时间内完成反冲/电荷注入。  尽管您正在查看'DC'电压、但仍有一个瞬态需要处理、这正是驱动器的 GBW 发挥作用的地方。  

    参考数据表中的图1、TLV2553在第4个 I/O 时钟之后开始对输入通道进行采样、并在第12个 I/O 时钟之后完成采样、因此、很有意思的一点 是、可以看到第二个捕获中的骤降如何与采集周期的开始和结束保持一致。  ADC 内部实际上没有类似这样的电压下拉-我肯定会产生干扰、但不会像这样产生~1.2V 压降。  是否所有通道都以这种方式运行?  其他芯片是否以这种方式工作?

    图41 显示了典型接口、减去驱动放大器-不知道为什么它被留在这里、但基本想法是让 R/C 位于输入之前、以便电容器能够在多路复用器开关期间提供电荷、 R 有助于将放大器与容性负载(1nF 和45pF 内部)隔离。  然后、驱动放大器需要有足够的带宽来将 S/H 电容器稳定在采样周期结束前1/2 LSB 以内、这将是第27页所示的 Rsource 之前的预期/预期低阻抗源。

    该图还显示了正在缓冲的基准。  在转换周期内、基准输入上会发生类似的开关操作。  它与输入通道的情况基本相同、不同之处在于基准会为每个位判定产生瞬态。  如果您的基准出现毛刺脉冲、这也可能是问题的一部分。

  • 请注意,本文内容源自机器翻译,可能存在语法或其它翻译错误,仅供参考。如需获取准确内容,请参阅链接中的英语原文或自行翻译。

    下面是一些示波器捕获以及所示的时钟和 EOC 引脚。  在第一个图中、绿色迹线是输入引脚上的电压、与最后一组相同。  第二步、绿色迹线是4.096V 基准。  请注意这里没有干扰。  在两个屏幕中、红色是时钟、蓝色是 EOC、黄色是 CS。

    请记住、这些示波器图中的驱动放大器是直流工作台电源。  在这种情况下、带宽或电流容量不是问题。  我们将提供稳定的电源。  电压也非常急剧、对于45pf 或1nf 电容器而言不是斜坡电荷。  ADC 似乎只是将输入拉至接地。  我不清楚在这种情况下会如何发生这种情况。  如果 ADC 内部没有类似这样的电压拉低的东西、那么该怎么做呢?  我也不清楚基准中的毛刺脉冲如何导致输入采样硬件中的毛刺脉冲。  我可以看到、这会导致采样不良、但不会导致采样硬件中的干扰。  

    是的、所有通道都以这种方式运行。  我有一个不同的 ADC、即单通道 ADS8339。  我从该器件获取的数字样本是合理的、尽管我没有在输入引脚上仔细观察过这一点。

    您是否有 ADC 内部原理图?  我有兴趣在仿真器中构建该电路。  我敢打赌、它不会显示我们看到的行为。  否则,我需要一个建议的行动方针。

    Brian

  • 请注意,本文内容源自机器翻译,可能存在语法或其它翻译错误,仅供参考。如需获取准确内容,请参阅链接中的英语原文或自行翻译。

    您好 Brian、

    遗憾的是、我没有可以与您分享的内部原理图。  我的壁橱是图39和41的组合。  图31中通过多路复用器到达 ADC 的输入与图39基本相同、因为基准- REF+将为 CHX、REF-将为 GND。  不确定是否有用、但您可以稍微延迟您的/CS、以确保在/CS 上升之前发生第12个下降 I/O 时钟。

    我假设您已经验证了您的所有通道接地都确实连接回 AVdd 接地节点、并且您的电源是稳定的。  您是否有另一个 PCB 要检查?  或者更换此电路板上的 TLV2553以排除损坏的部件?

  • 请注意,本文内容源自机器翻译,可能存在语法或其它翻译错误,仅供参考。如需获取准确内容,请参阅链接中的英语原文或自行翻译。

    我将芯片选择的上升延迟了1个时钟脉冲、但这不会产生不同的结果。

    回顾我的原理图、DGND 网络是一个延伸到整个电路板的平面。  我查看了相对于 DGND 的+5V 电源轨、它看起来很稳定、就像上周显示的4.096V DGND 基准的图片一样。   如果您认为这会有所帮助、我可以提供不同电源连接的草图。  下面是我的布局图。

    我尝试了另外两个板、它们都有相同的问题。

    我真的无法承担报废此电路板并转到其他器件的费用。  我希望我们能够弄清楚为什么这个部分不能在这个应用中工作。

    谢谢、

    Brian

  • 请注意,本文内容源自机器翻译,可能存在语法或其它翻译错误,仅供参考。如需获取准确内容,请参阅链接中的英语原文或自行翻译。

    您好 Brian、

    这一个也让我感到意外-如果所有三个电路板在对特定通道进行采样时都显示相同的直流漂移、我会说您有一个:a)一批糟糕的芯片或 b)设置中我们尚未看到的一些(硬件或软件)东西。  布局看起来不错-模拟输入源是否先于电阻器、与 REFM 和滤波电容器位于同一 DGND 上?  我怀疑答案是肯定的、但我必须问...

    不可能出现一批糟糕的芯片、因为我们可能会有其他客户遇到类似问题(TLV2553是一个非常受欢迎的器件)、而且我没有看到过这样的问题通过我们的 QC 部门来解决。  您正在向寄存器写入什么内容?  是否可以将 TLV2553配置为8位模式?  您能否发送包含 DIN、DOUT、/CS 和 SCLK 的屏幕截图?

  • 请注意,本文内容源自机器翻译,可能存在语法或其它翻译错误,仅供参考。如需获取准确内容,请参阅链接中的英语原文或自行翻译。

    我自初始发布以来完成的所有测量都是通过直流台式电源提供输入源。  电源的正极端子连接在电阻器前面、电源的负极端子连接到电路板上测试点的 DGND 网络。

    我看不出我怎么可能处于8位模式。  我将对输入施加2.048V 电压。  如果我处于8位模式、我想我将得到大约128个计数、这不是我在任何通道上得到的计数。  此外、将芯片配置为8位模式而不是12会导致我们观察到的输入端的电压瞬态?  我们似乎在谈论一个硬件问题、固件配置设置如何与之相关?

    听起来我唯一的选择是订购另一批器件并进行试用。

  • 请注意,本文内容源自机器翻译,可能存在语法或其它翻译错误,仅供参考。如需获取准确内容,请参阅链接中的英语原文或自行翻译。

    您好 Brian、

    我只是尝试验证您的 SPI 传输是否正确。  如果您愿意、我可以为您提供新的样片器件、我可以直接与您联系以获取地址。

  • 请注意,本文内容源自机器翻译,可能存在语法或其它翻译错误,仅供参考。如需获取准确内容,请参阅链接中的英语原文或自行翻译。

    我终于获得了另一批器件。  但是 、为新组件切换组件不 会发生任何变化。

    这意味着我仍然迫切需要对这一问题作出解释。  

    下面是一个屏幕截图、其中包括 DIN、DOUT、CS 和 SCLK。  同样、内核问题是在采样开始时模拟电压突然下降、即使输入的电源电压来自工作台直流电源。  我看不到针对8位模式或其他模式的固件设置如何导致这种情况、但可能此屏幕截图建议了其他情况。

    谢谢、

    Brian

  • 请注意,本文内容源自机器翻译,可能存在语法或其它翻译错误,仅供参考。如需获取准确内容,请参阅链接中的英语原文或自行翻译。

    不确定为什么屏幕截图之前未显示:

  • 请注意,本文内容源自机器翻译,可能存在语法或其它翻译错误,仅供参考。如需获取准确内容,请参阅链接中的英语原文或自行翻译。

    您好 Brian、

    我仍然在为您刮擦头、看看可能会发生的情况-我会给您发一条注释、如果您喜欢的话、我们可以在线聊天。

  • 请注意,本文内容源自机器翻译,可能存在语法或其它翻译错误,仅供参考。如需获取准确内容,请参阅链接中的英语原文或自行翻译。

    没关系

  • 请注意,本文内容源自机器翻译,可能存在语法或其它翻译错误,仅供参考。如需获取准确内容,请参阅链接中的英语原文或自行翻译。

    您好 Brian、

    很高兴我们能够解决这个问题!  请告知我们是否可以为其他任何事情提供帮助。

    对于任何其他感兴趣的人来说、问题(简而言之)最终是其中一个驱动放大器周围缺少反馈电阻器。